GM Service Manual Online
For 1990-2009 cars only
Makes
🢒
Cadillac
🢒
2006
🢒
Escalade EXT
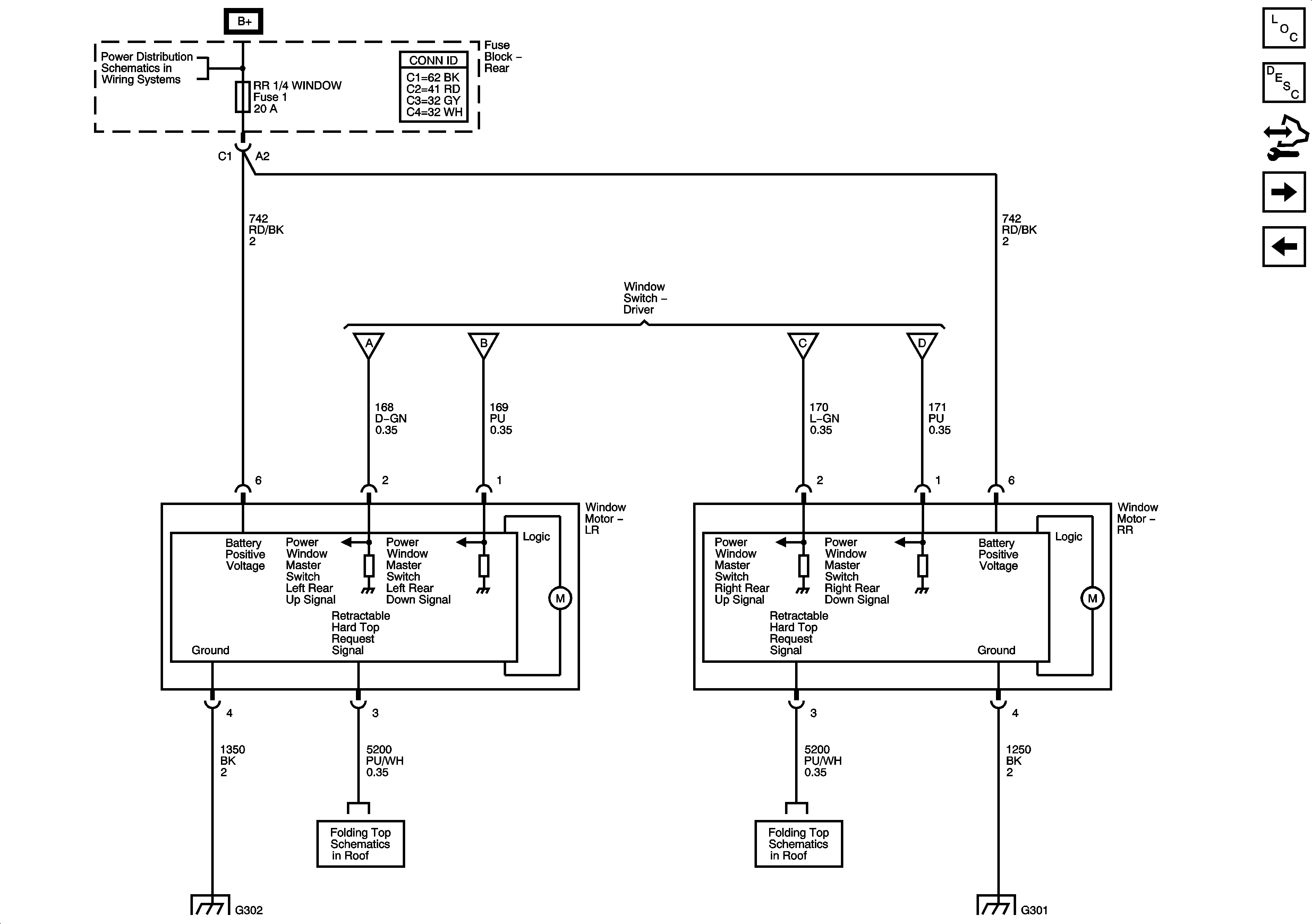
🢒 Rear Window Motors - Convertible
Rear Window Motors - Convertible
Rear Window Motors - Convertible
Master Electrical Component List
Power Windows Description and Operation
Control Module References
Front Window Motors - Coupe
Underhood Fuse Block RBEC 2, RUN RLY, Body Control Module (BCM), HVAC BLOWER HIGH Relay, RUN Relay, HVAC BLOWER, HVAC CTRL (IGN) Rear Fuse Block FUEL Relay, PARK LP Relay, TRUNK Relay, DRV ST, EMISSIO
Window Switches - Convertible
G302
DLC, Ground, Power and References
DLC, Ground, Power and References
G301