GM Service Manual Online
For 1990-2009 cars only
Figure 1:

Display Power and Ground


Object Number: 1706134  Size: FS
Master Electrical Component List
Video Entertainment System Description and Operation Non-Headrest DVD Systems
Control Module References
Video Signals
B+ Bus - 1 of 3
AMP, ELEC RUN BOARD, ESC/ALC EXH, EXP/BRK MDL, INFO, and TREC Fuses
AMP, ELEC RUN BOARD, ESC/ALC EXH, EXP/BRK MDL, INFO, and TREC Fuses
Radio Power, Ground, Serial Data, and Antenna Signals
G301
Figure 2:

Video Signals


Object Number: 1706137  Size: FS
Master Electrical Component List
Video Entertainment System Description and Operation Non-Headrest DVD Systems
Control Module References
Audio Signals
Display Power and Ground
Amplifier Inputs - UQA/UQS
Figure 3:

Audio Signals


Object Number: 1706140  Size: FS
Master Electrical Component List
Video Entertainment System Description and Operation Non-Headrest DVD Systems
Control Module References
Video Signals
G301
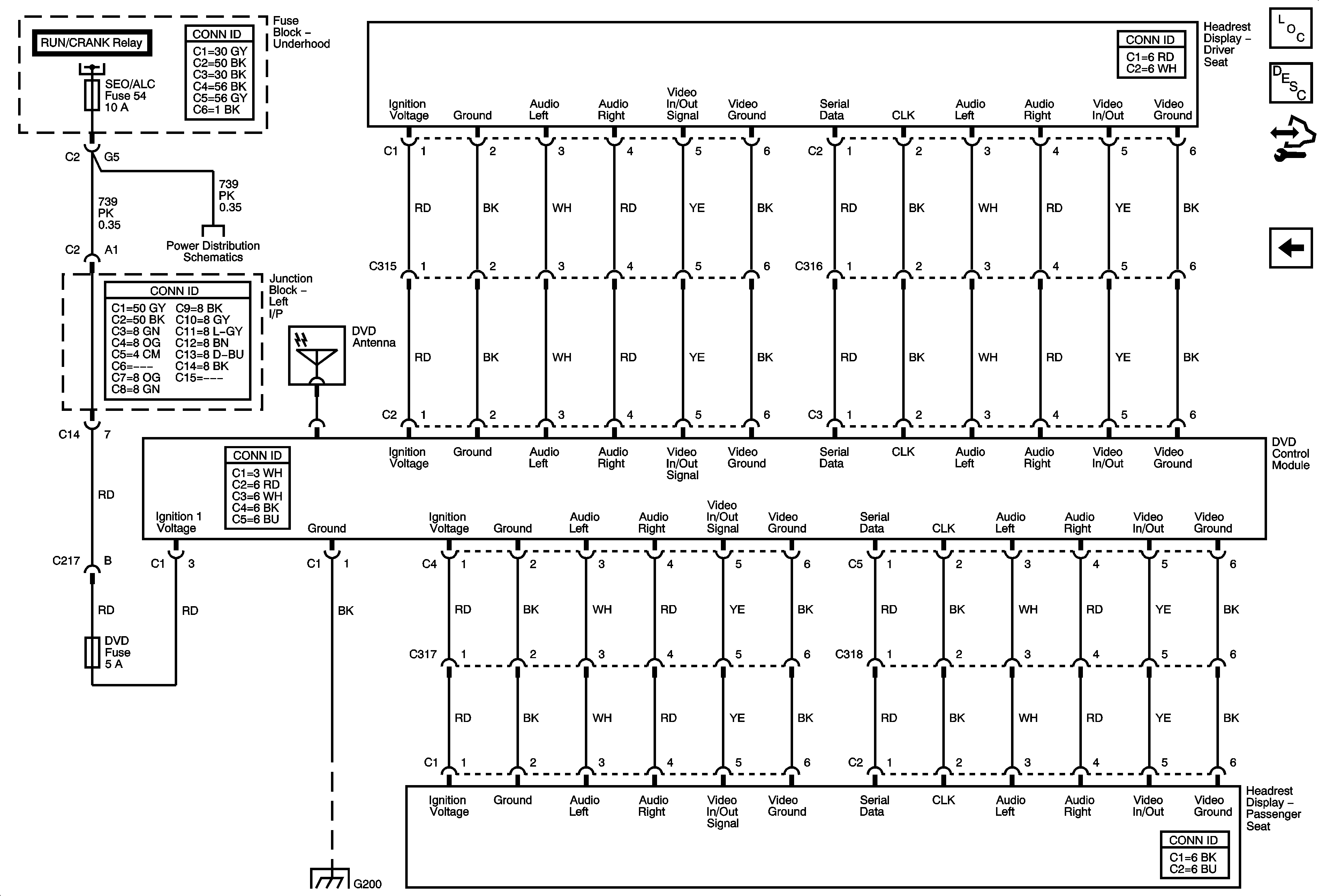
Figure 4:

Dual DVD Headrest System


Object Number: 1858680  Size: FS
Master Electrical Component List
Video Entertainment System Description and Operation Non-Headrest DVD Systems
Control Module References
Video Signals
RUN/CRANK Bus - AIRBAG IGN, MISC IGN, ans SEO/ALC Fuses
G200 - 1 of 2