GM Service Manual Online
For 1990-2009 cars only
Makes
🢒
Cadillac
🢒
2007
🢒
Escalade EXT
🢒
Diagnostic Navigation
🢒
Vehicle Diagnostic Information
🢒 Audible Warnings Schematics
Master Electrical Component List
Audible Warnings Description and Operation
Control Module References
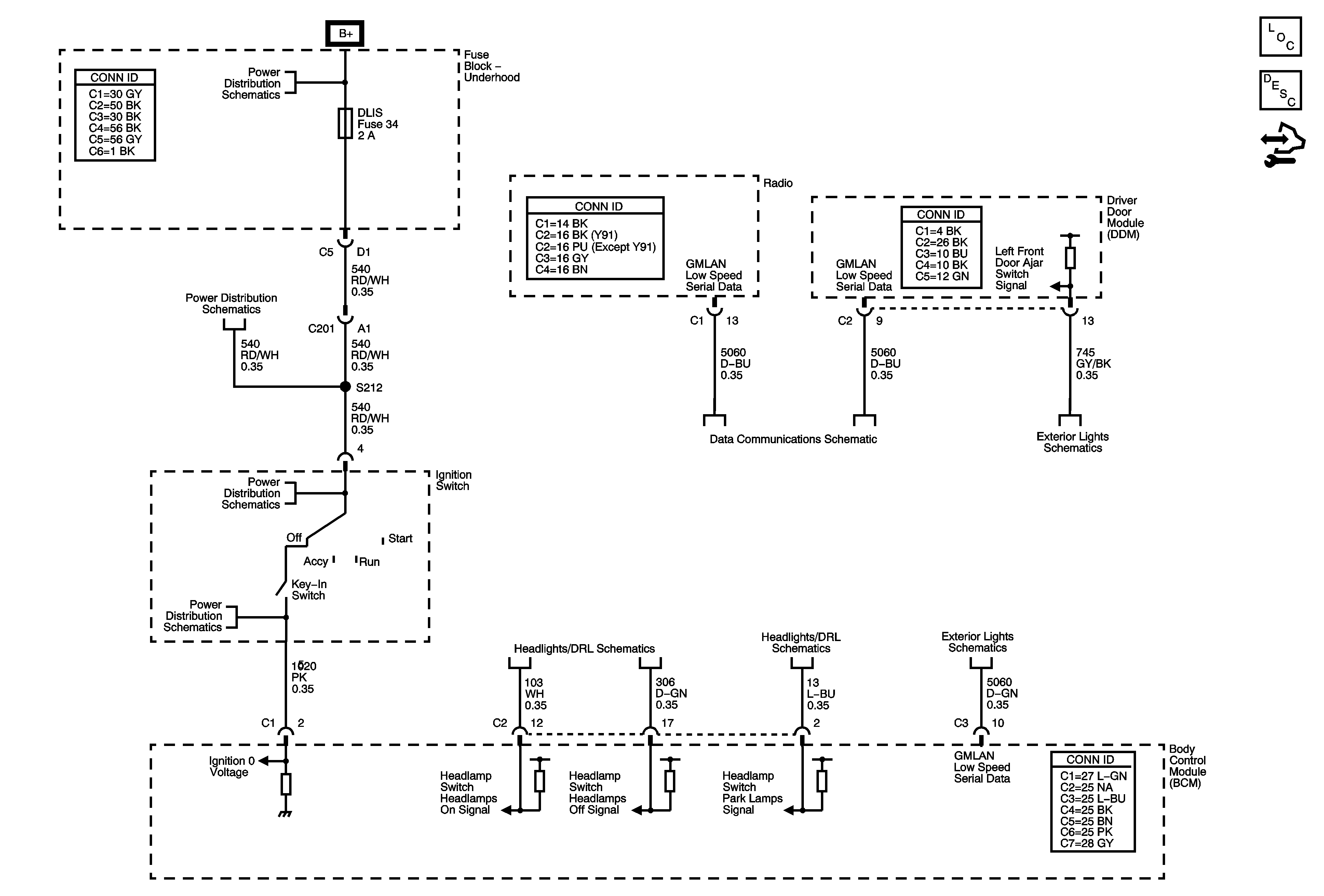
B+ Bus - 1 of 3
DLIS Fuse and Ignition Switch
DLIS Fuse and Ignition Switch
DLIS Fuse and Ignition Switch
Low Speed Bus - SP200 - 1 of 3
Door Jamb Switches
Headlamp and Daytime Running Lamp Controls
Headlamp and Daytime Running Lamp Controls
Low Speed Bus - SP 200 - 2 of 3