GM Service Manual Online
For 1990-2009 cars only
Makes
🢒
Cadillac
🢒
2007
🢒
Escalade EXT
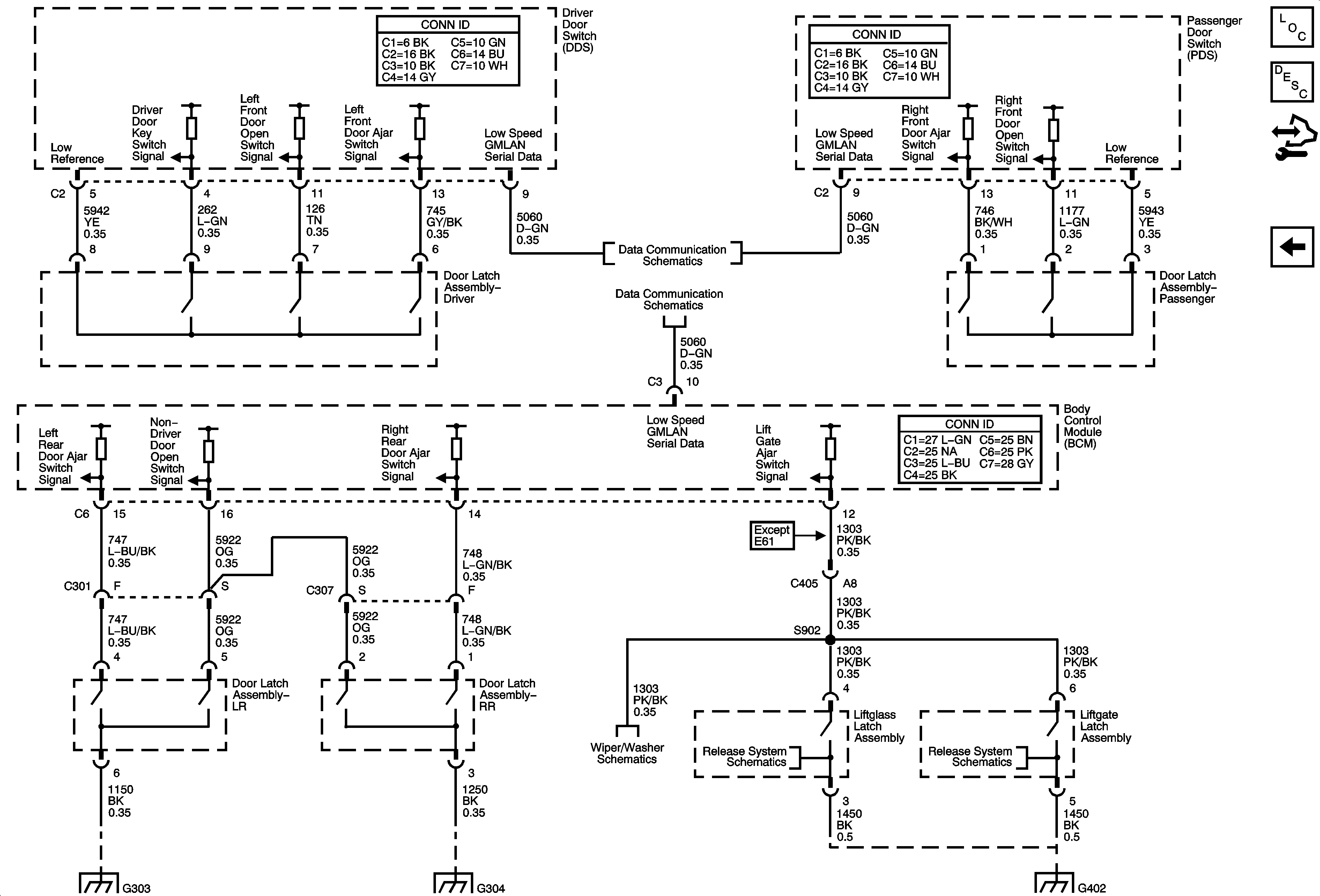
🢒 Door Jamb Switches
Door Jamb Switches
Door Jamb Switches
Master Electrical Component List
Interior Lighting Systems Description and Operation
Control Module References
Courtesy Lamp Control
G303, G304, and G305
G303, G304, and G305
Rear
Liftglass - E52
Low Speed Bus - SP200 - 1 of 3
Low Speed Bus - SP 200 - 2 of 3
Liftgate - E52 Except E61
G402 - E52