GM Service Manual Online
For 1990-2009 cars only
Makes
🢒
Cadillac
🢒
2007
🢒
Escalade EXT
🢒 Starting - 2 of 2, and Energy Storage
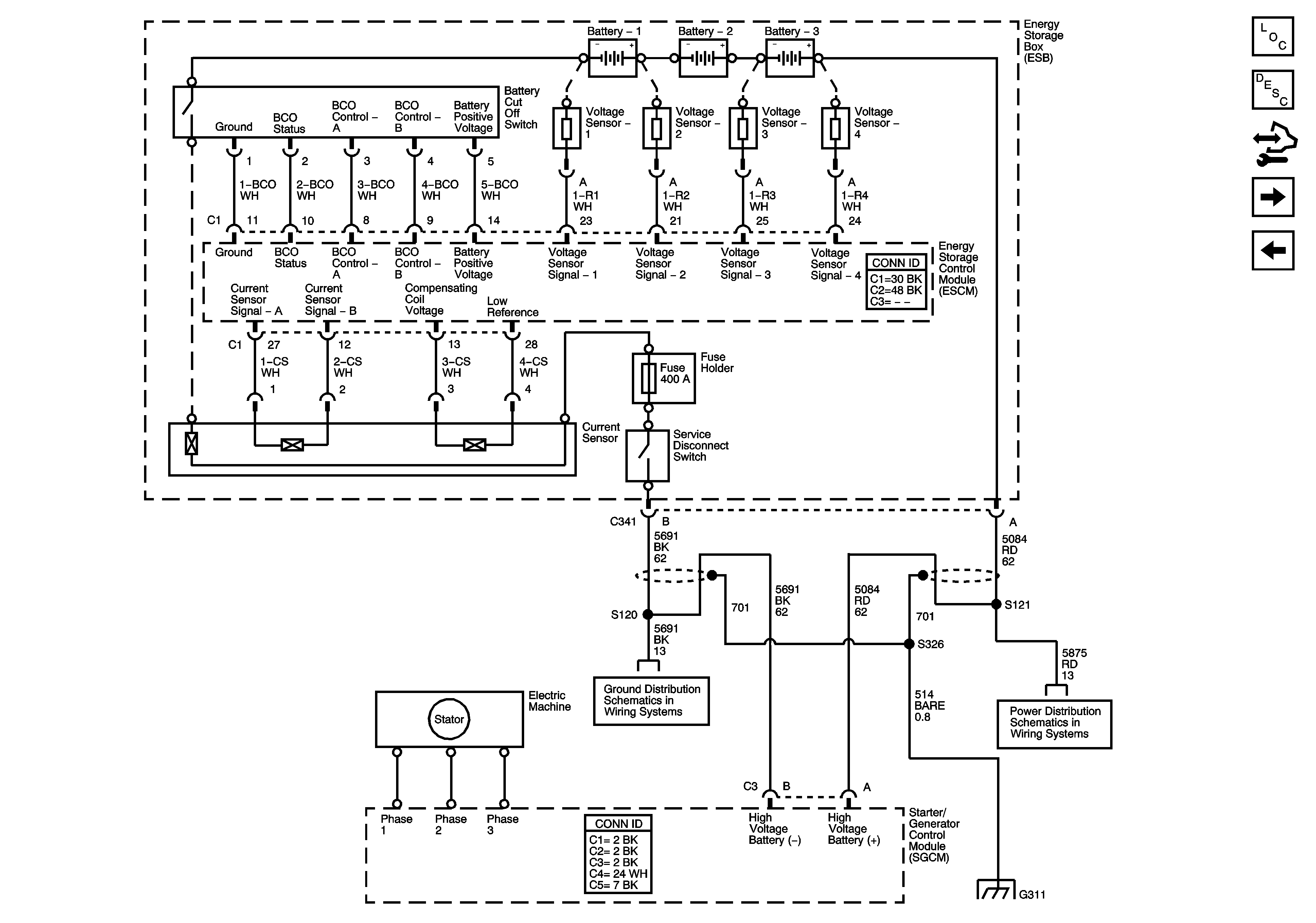
Starting - 2 of 2, and Energy Storage
Starting - 2 of 2, and Engine Storage
Master Electrical Component List
Starter/Generator Description and Operation
Control Module References
Controlled/Monitored Subsystem References
Starting - 1 of 2, and Engine Speed Signal
Battery Supply - 2 of 2
G120, G121, G122, G310, G311, and G405 (HP2)
G120, G121, G122, G310, G311, and G405 (HP2)