GM Service Manual Online
For 1990-2009 cars only
Makes
🢒
Cadillac
🢒
2007
🢒
Escalade EXT
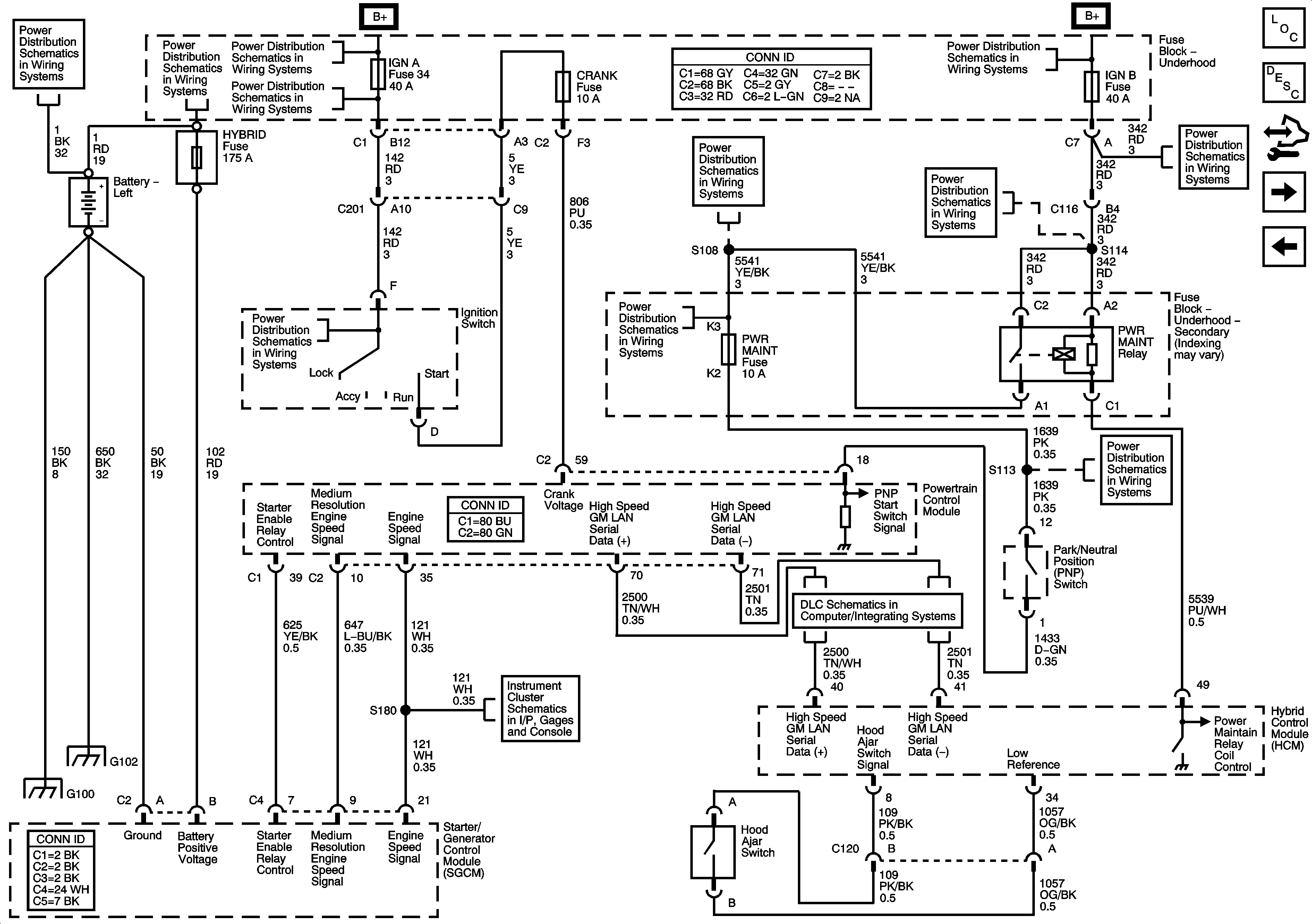
🢒 Starting - 1 of 2, and Engine Speed Signal
Starting - 1 of 2, and Engine Speed Signal
Starting - 1 of 2, and Engine Speed Signal
Master Electrical Component List
Starter/Generator Description and Operation
Control Module References
Starting - 2 of 2, and Energy Storage
Power, Ground, Serial Data, and ESCM - 2 of 2
B+ Bus Bar
Ignition Switch - START, RUN, and ACC/RUN/START BUS BARS, IGN A and CRNK Fuses
Battery Supply - 1 of 2
Ignition Switch - START, RUN, and ACC/RUN/START BUS BARS, IGN A and CRNK Fuses
G100 and G102
G100 and G102
Gages, Vehicle Speed Signal, Engine Oil Pressure, and Fuel Level Sensors
High Speed GMLAN (HP2)
COOL PMP, HYBRID O2A, HYBRID O2B, IGN B, and PWR MAINT Fuses
COOL PMP, HYBRID O2A, HYBRID O2B, IGN B, and PWR MAINT Fuses
COOL PMP, HYBRID O2A, HYBRID O2B, IGN B, and PWR MAINT Fuses
B+ Bus Bar
Ignition Switch - ACC/RUN and RUN/START BUS BARS and IGN B Fuse
Ignition Switch - ACC/RUN and RUN/START BUS BARS and IGN B Fuse