GM Service Manual Online
For 1990-2009 cars only
Makes
🢒
Cadillac
🢒
2007
🢒
Escalade EXT
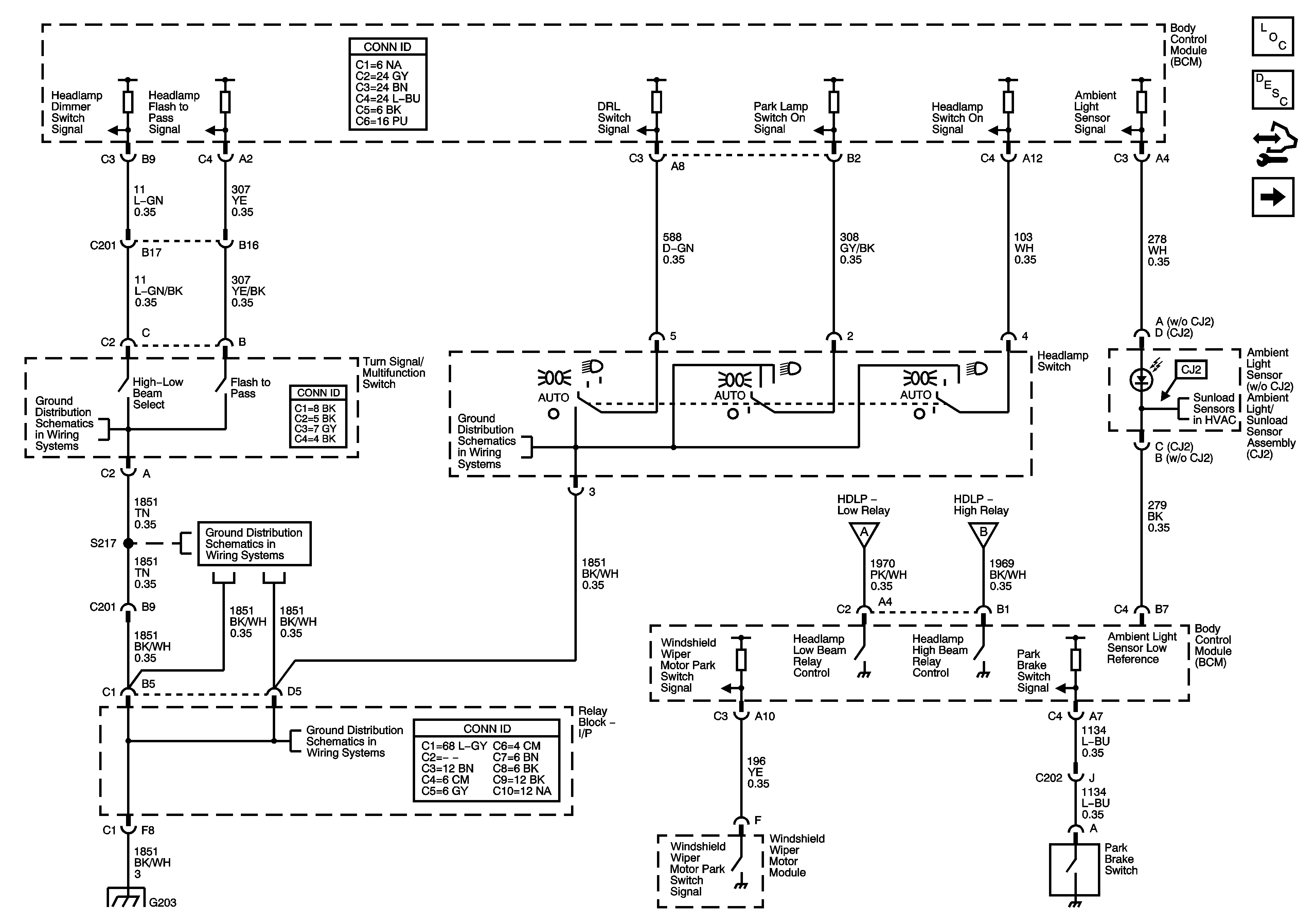
🢒 Headlights/DRL Control
Headlights/DRL Control
Headlights/DRL Control
Master Electrical Component List
Exterior Lighting Systems Description and Operation
Control Module References
Headlights
G203 - 2 of 2
G203 - 2 of 2
G203 - 2 of 2
G203 - 1 of 2
G203 - 2 of 2
Headlights
Headlights
Air Temperature Actuator - Left and Right