GM Service Manual Online
For 1990-2009 cars only
Makes
🢒
Cadillac
🢒
2007
🢒
Escalade EXT
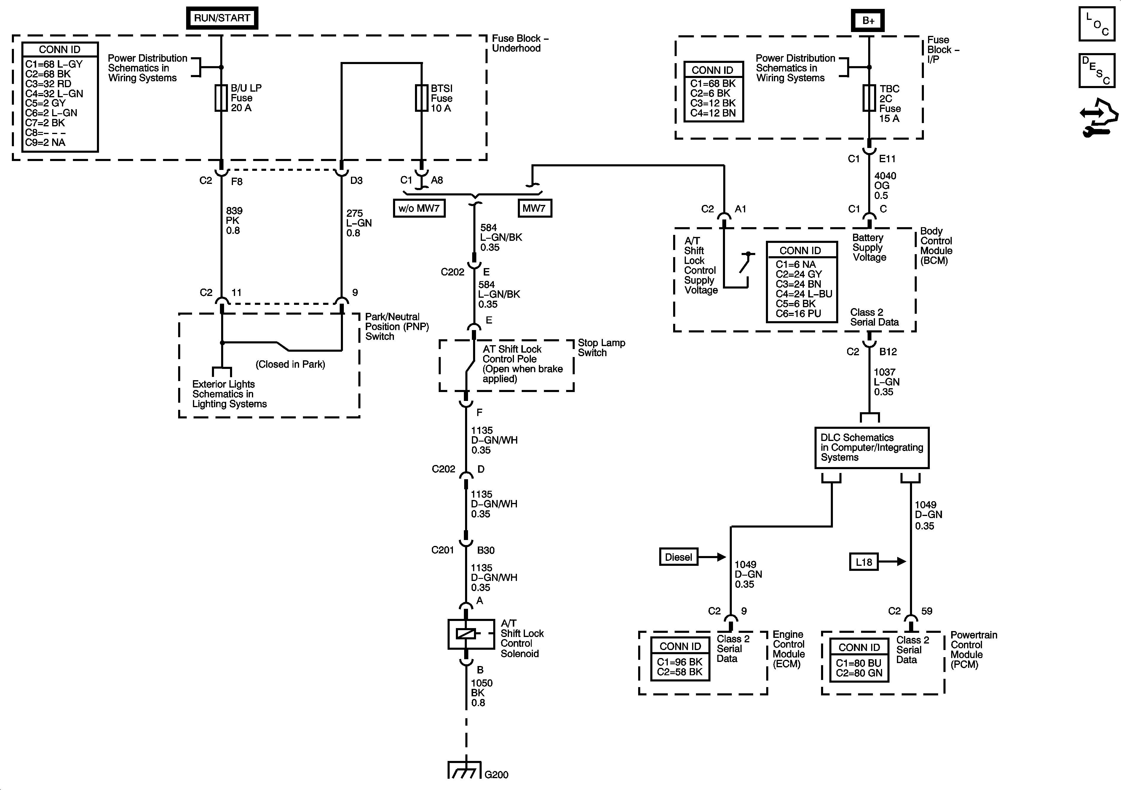
🢒 A/T Shift Lock Controls
A/T Shift Lock Controls
Master Electrical Component List
Automatic Transmission Shift Lock Control Description and Operation (with Allison Transmission)
Control Module References
Ignition Switch - ACC/RUN and RUN/START BUS BARS and IGN B Fuse
Backup Lamps (Except MW7)
BLWR, HAZRD, HVAC/ECAS, LBEC 1, RR DEFOG, RR HVAC, TBC 2A, TBC 2B, and TBC 2C Fuses and LT DOOR Circuit Breaker
Power, Ground, DLC, and Splice Pack SP205
G115 and G200 - 1 of 2