GM Service Manual Online
For 1990-2009 cars only
Makes
🢒
Cadillac
🢒
2007
🢒
Escalade EXT
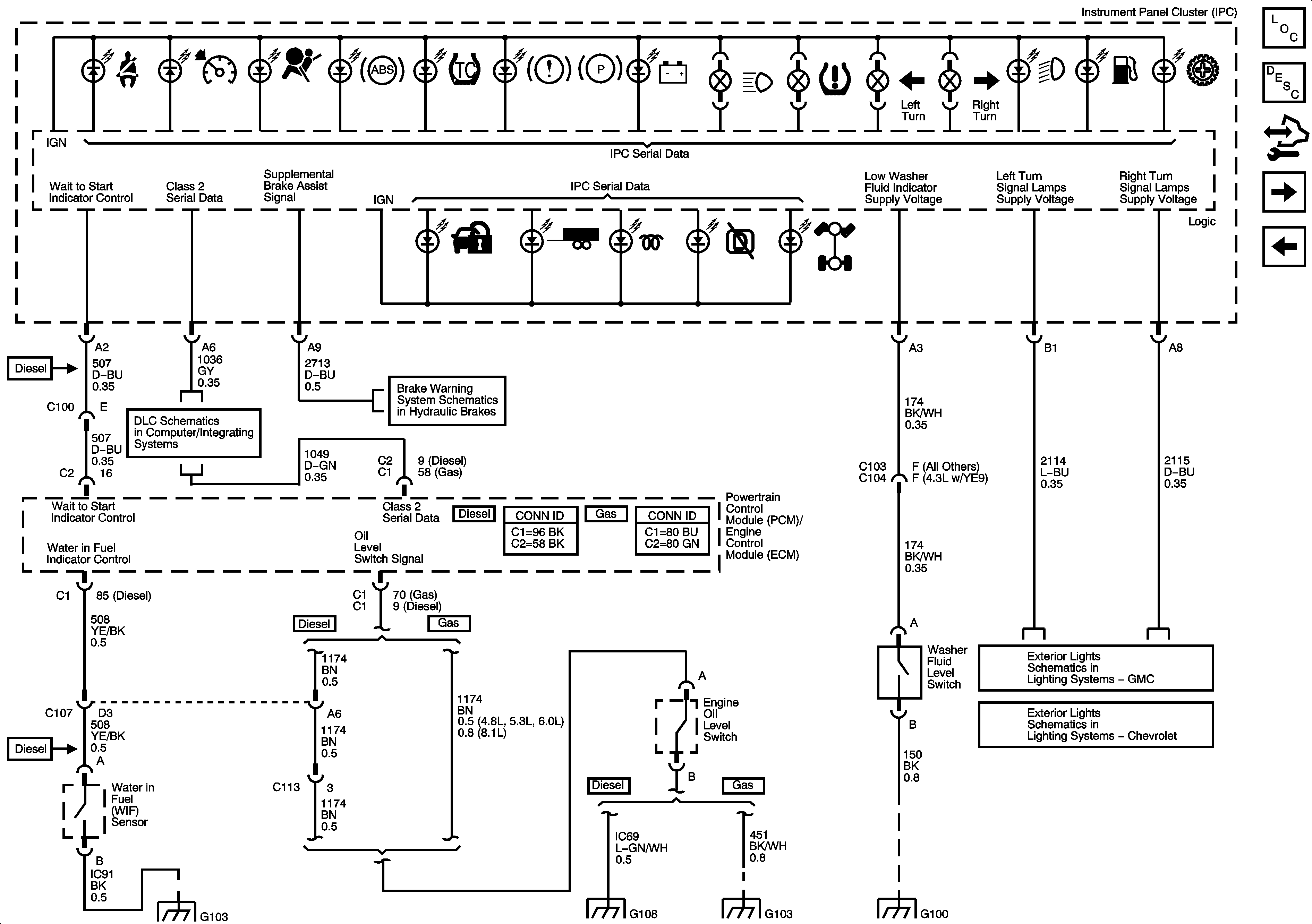
🢒 Indicators, Water in FuelSensor, Engine Oil Level Switch, and Washer Fluid Level Switch
Indicators, Water in FuelSensor, Engine Oil Level Switch, and Washer Fluid Level Switch
Indicators, Water in Fuel Sensor, Engine Oil Level Switch, and Washer Fluid Level Sensor
Master Electrical Component List
Instrument Cluster Description and Operation
Control Module References
Gages, Vehicle Speed Signal, Engine Oil Pressure, and Fuel Level Sensors
Power, Ground, Serial Data, and MIL Indicator
Power, Ground, DLC, and Splice Pack SP205
Supplemental Brake Assist
G102, G103 and G108 - Diesel
G102, G103 and G108 - Diesel
G103 and G106 - Gas
G100 and G102
Turn Signals - Chevrolet
Turn Signals - GMC