GM Service Manual Online
For 1990-2009 cars only
Makes
🢒
Cadillac
🢒
2007
🢒
Escalade EXT
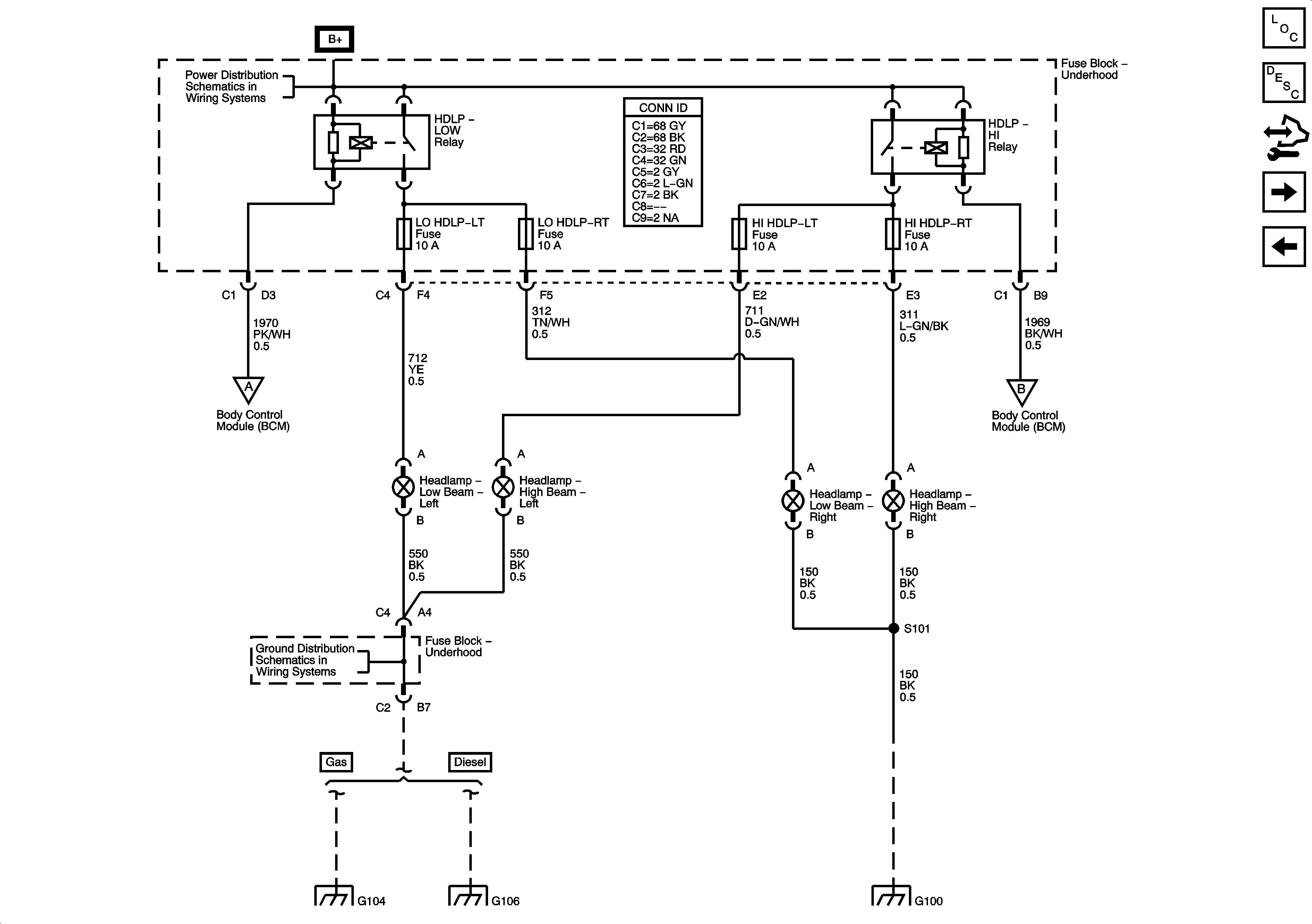
🢒 Headlights
Headlights
Headlights
Master Electrical Component List
Exterior Lighting Systems Description and Operation
Control Module References
Daytime Running Lamps (DRL)
Headlights/DRL Control
B+ Bus Bar
Headlights/DRL Control
G104, G107, and G110
G104, G107, and G110
Headlights/DRL Control
G100 and G102