GM Service Manual Online
For 1990-2009 cars only
Makes
🢒
Cadillac
🢒
2007
🢒
Escalade EXT
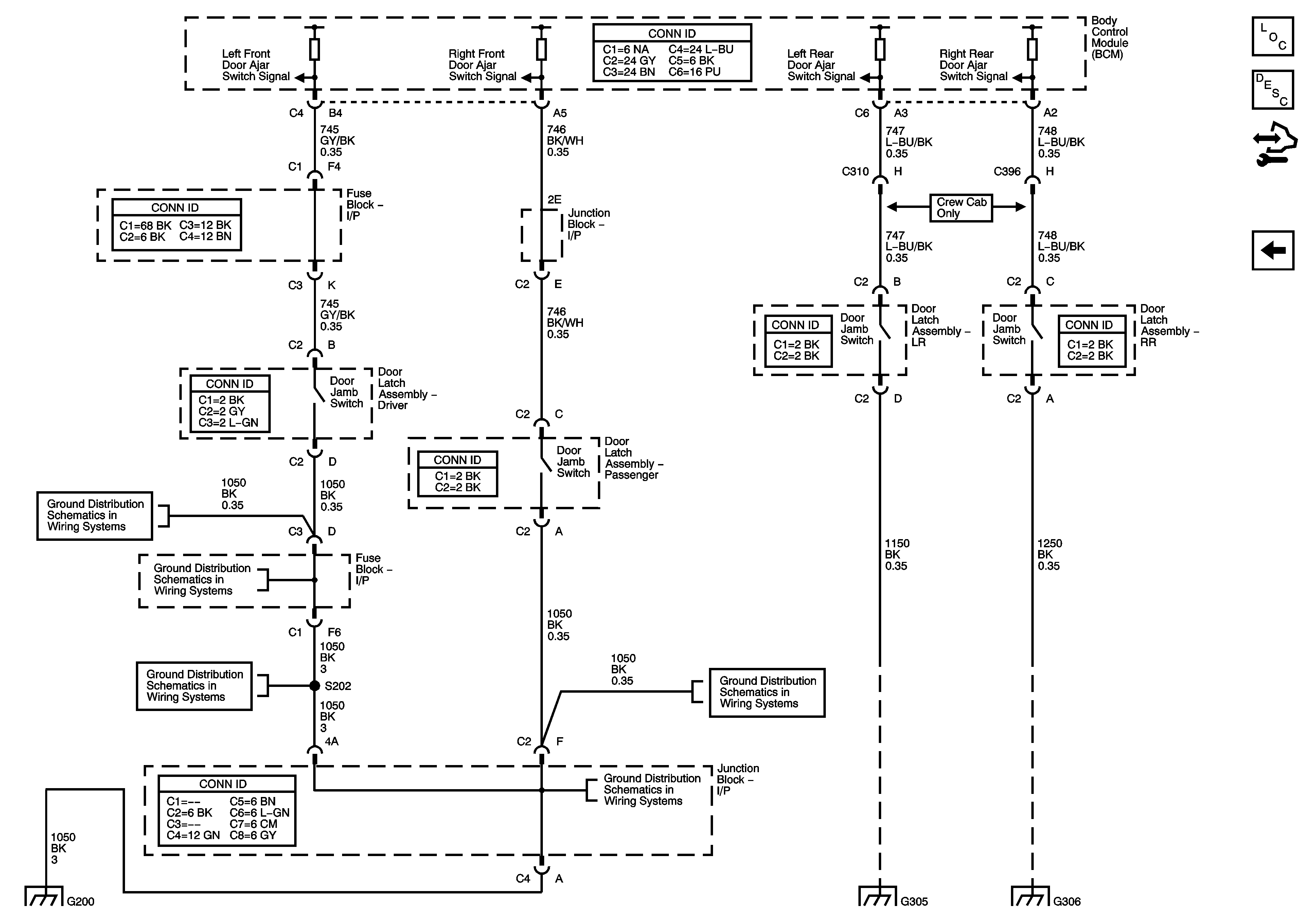
🢒 Door Jamb Switches (w/o YE9/Y91)
Door Jamb Switches (w/o YE9/Y91)
Door Jamb Switches (w/o YE9/Y91)
Master Electrical Component List
Interior Lighting Systems Description and Operation
Control Module References
Door Jamb Switches (YE9/Y91)
G200 - 2 of 2
G200 - 2 of 2
G115 and G200 - 1 of 2
G115 and G200 - 1 of 2
G115 and G200 - 1 of 2
G115 and G200 - 1 of 2
G304, G305, G306, and G390
G304, G305, G306, and G390