GM Service Manual Online
For 1990-2009 cars only
Makes
🢒
Cadillac
🢒
2007
🢒
Escalade EXT
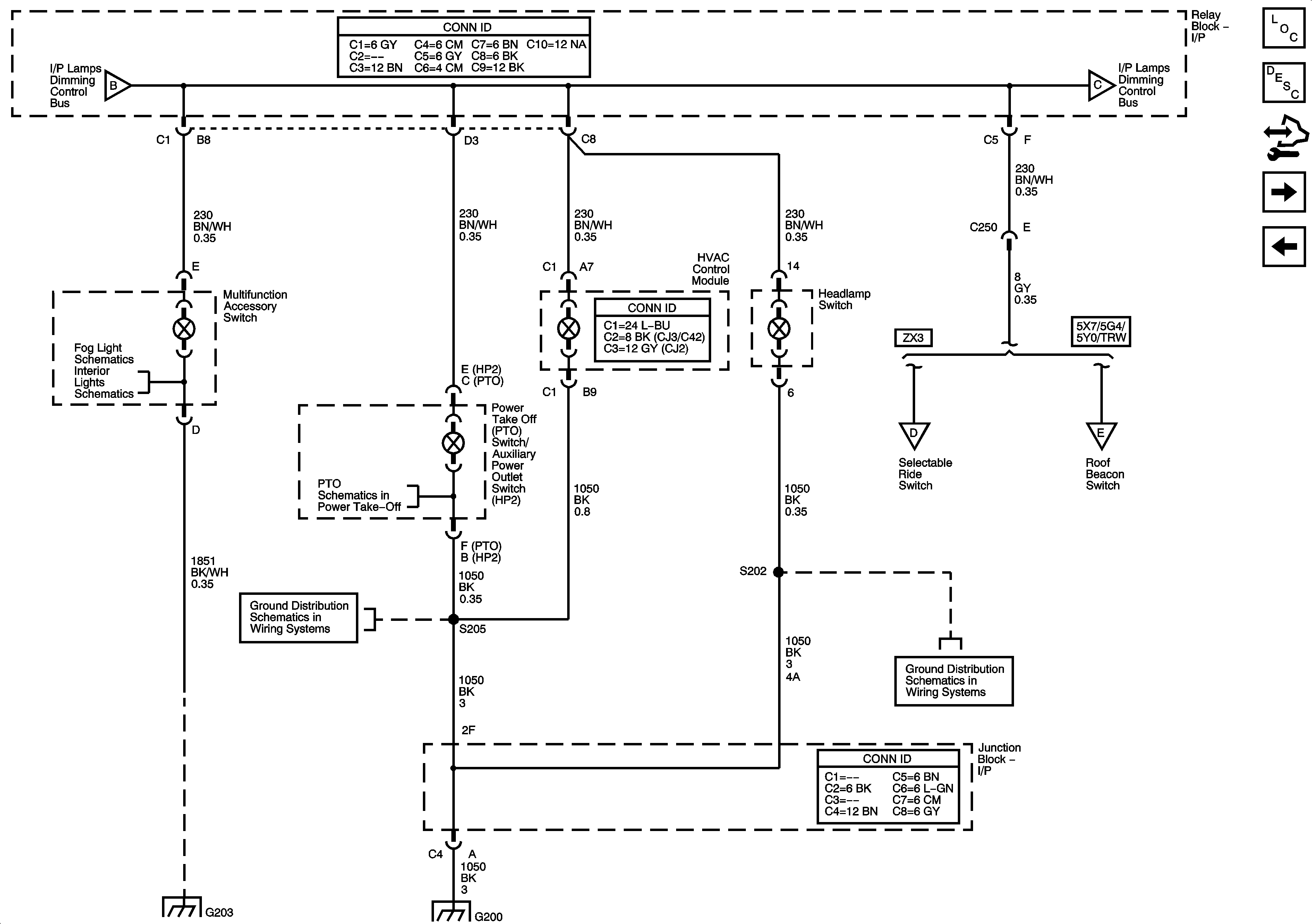
🢒 I/P Lamps Dimming Control Supply - 2 of 3
I/P Lamps Dimming Control Supply - 2 of 3
I/P Lamps Dimming Control Supply 2 of 3
Master Electrical Component List
Interior Lighting Systems Description and Operation
Control Module References
I/P Lamps Dimming Control Supply - 3 of 3
I/P Lamps Dimming Control Supply - 1 of 3
I/P Lamps Dimming Control Supply - 1 of 3
Interior Lamp Controls and Interior Lamps - 1 of 2
Power Take Off
G200 - 2 of 2
G203 - 1 of 2
G115 and G200 - 1 of 2
G115 and G200 - 1 of 2
G200 - 2 of 2
G200 - 2 of 2
Suspension Controls
Roof Beacon Lighting (5G4/TRW)
I/P Lamps Dimming Control Supply - 3 of 3