GM Service Manual Online
For 1990-2009 cars only
Makes
🢒
Cadillac
🢒
2007
🢒
Escalade EXT
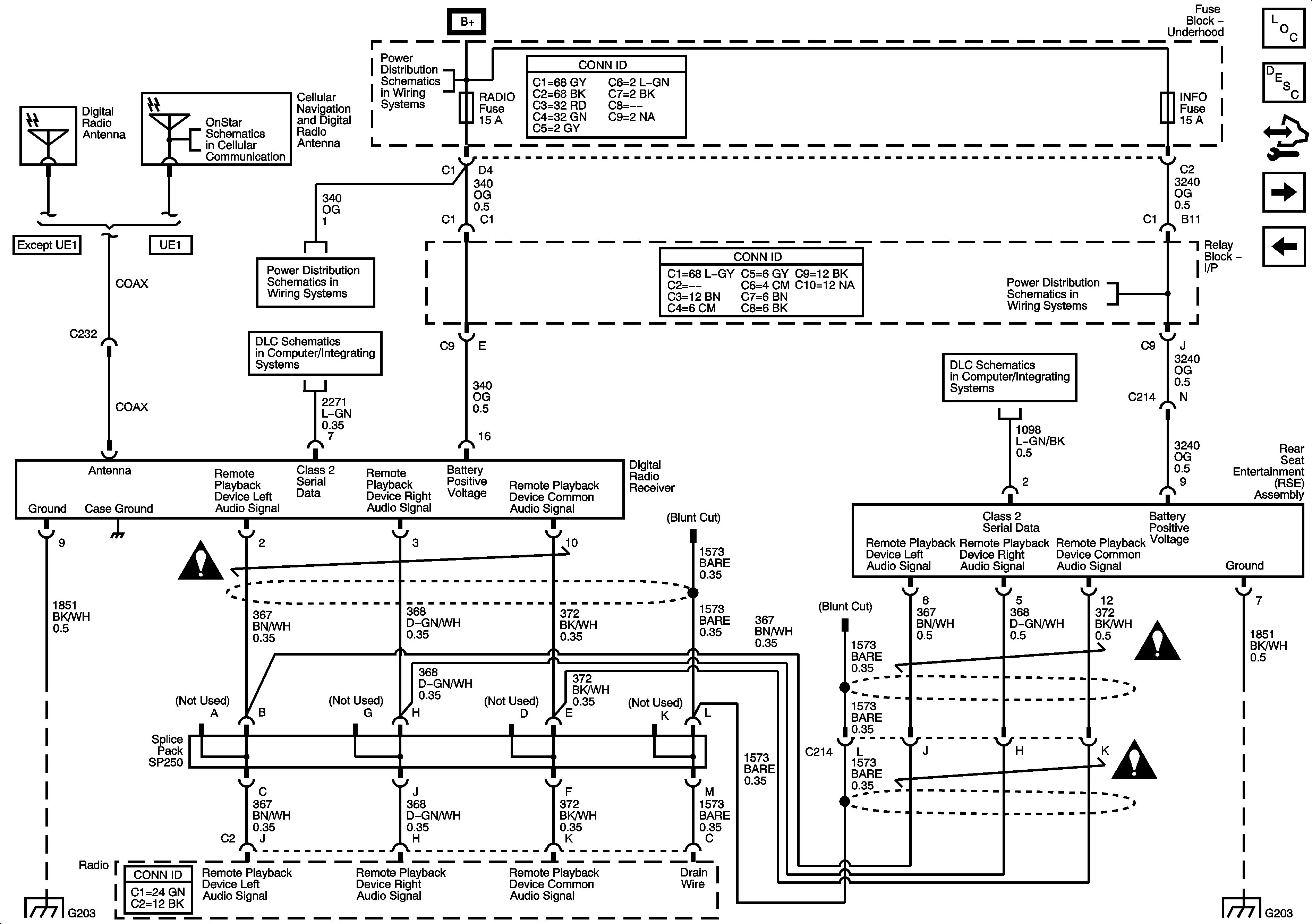
🢒 Digital Radio Receiver (U2K) and Rear Seat Entertainment (RSE) Assembly (U42)
Digital Radio Receiver (U2K) and Rear Seat Entertainment (RSE) Assembly (U42)
Digital Radio Receiver (U2K) and Rear Seat Entertainment (RSE) Assembly (U42)
Master Electrical Component List
Video Entertainment System Description and Operation
Control Module References
Amplifier (D07 w/o UK6)
Digital Radio Receiver (U2K)
B+ Bus Bar
OnStar
Power, Ground, DLC, and Splice Pack SP205
Entertainment Schematic Icons
G203 - 1 of 2
RADIO, RADIO/AMP, and S/ROOF Fuses
RADIO, RADIO/AMP, and S/ROOF Fuses
Power, Ground, DLC, and Splice Pack SP205
Entertainment Schematic Icons
Entertainment Schematic Icons
G203 - 1 of 2