GM Service Manual Online
For 1990-2009 cars only
Makes
🢒
Cadillac
🢒
2007
🢒
Escalade EXT
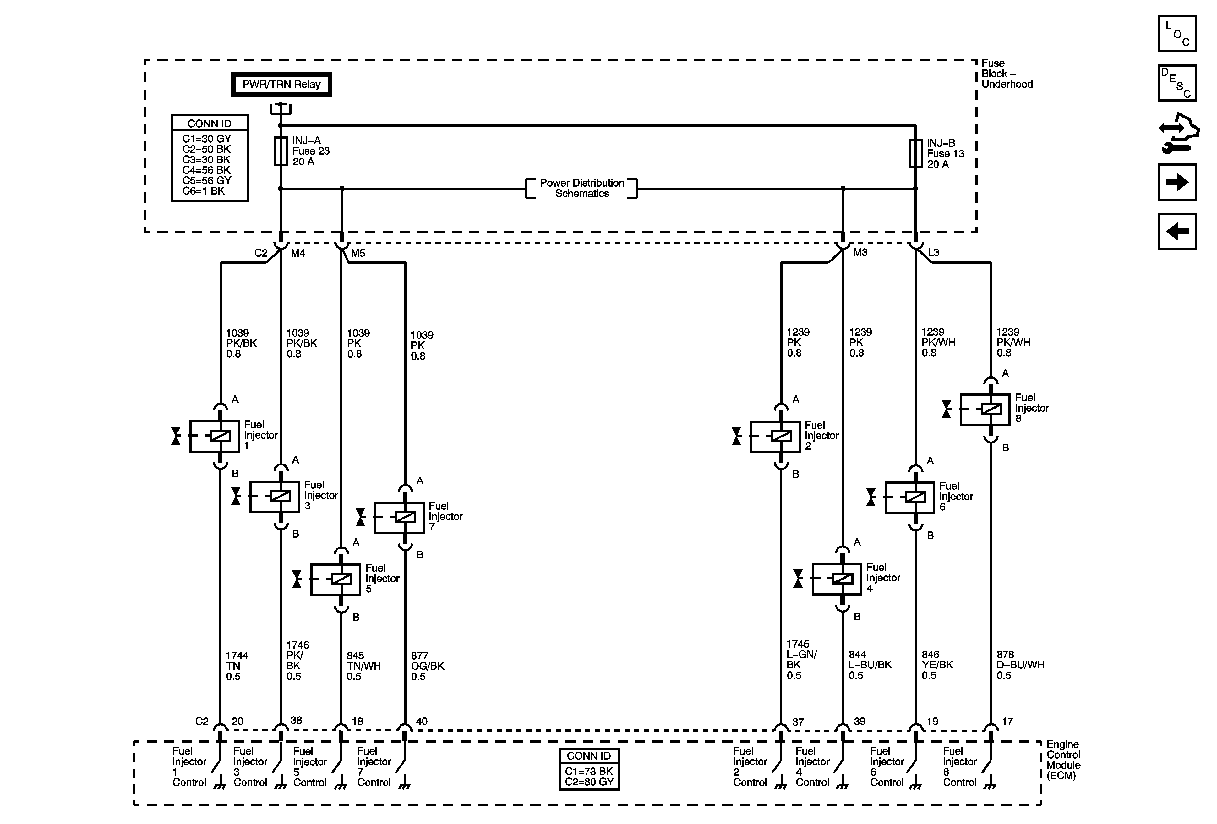
🢒 Fuel Controls - Fuel Injectors
Fuel Controls - Fuel Injectors
Fuel Controls - Fuel Injectors
Master Electrical Component List
Engine Control Module Description
Control Module References
Fuel Controls - EVAP Controls
Fuel Controls - Fuel Pump Controls
Module Power, Ground, Serial Data, and MIL
PWR/TRN Bus - INJ-A and INJ-B Fuses