GM Service Manual Online
For 1990-2009 cars only
Makes
🢒
Cadillac
🢒
2007
🢒
Escalade EXT
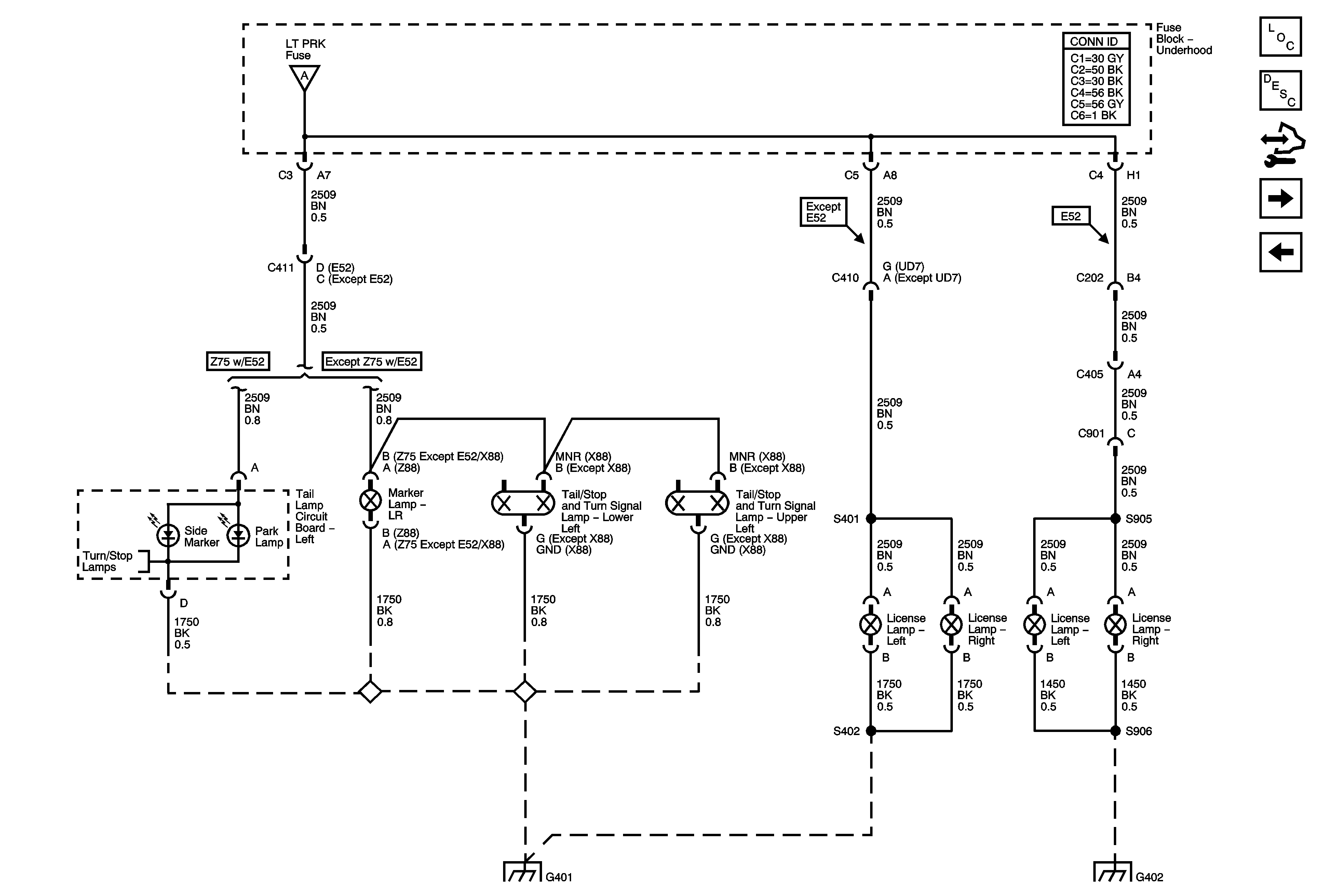
🢒 Left Rear Park Lamps
Left Rear Park Lamps
Left Rear Park Lamps
Master Electrical Component List
Exterior Lighting Systems Description and Operation
Control Module References
Right Rear Park Lamps
Park Lamp Controls and Front Park Lamps
Park Lamp Controls and Front Park Lamps
G401
G402 - E52