GM Service Manual Online
For 1990-2009 cars only
Makes
🢒
Cadillac
🢒
2007
🢒
Escalade EXT
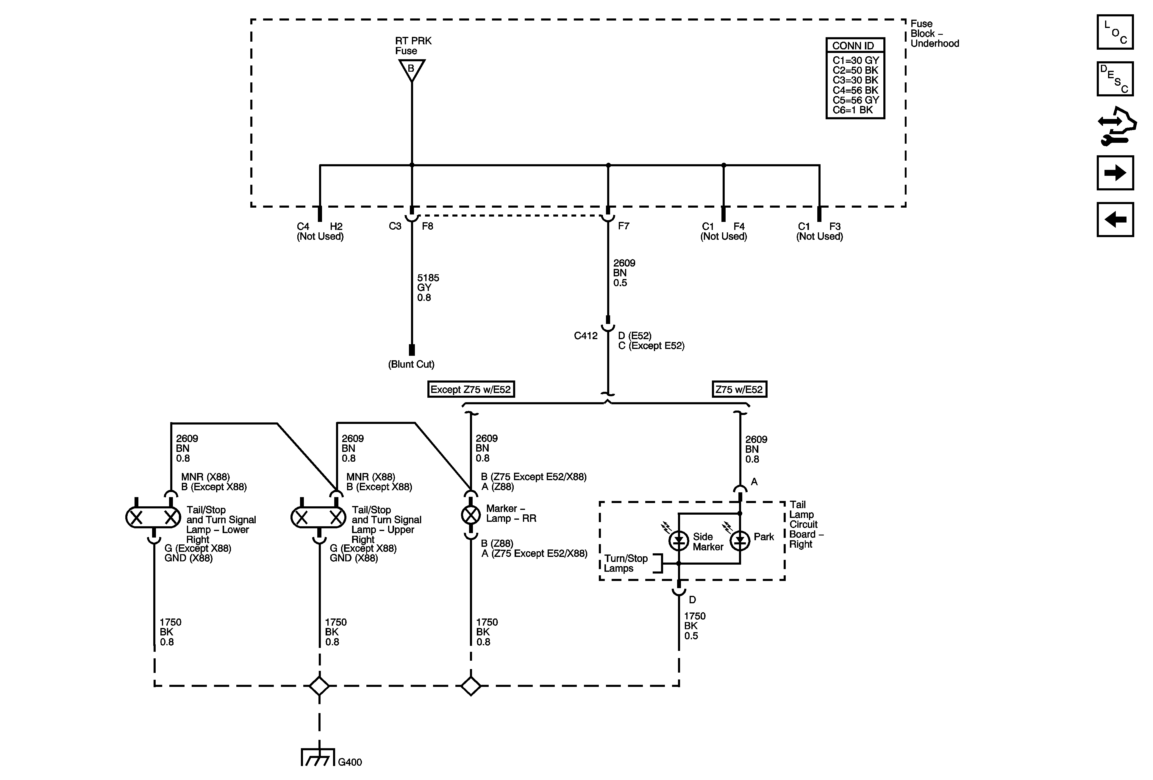
🢒 Right Rear Park Lamps
Right Rear Park Lamps
Right Rear Park Lamps
Master Electrical Component List
Exterior Lighting Systems Description and Operation
Control Module References
Exterior Illumination Lamps
Left Rear Park Lamps
Park Lamp Controls and Front Park Lamps
G400
Rear Turn Signal Lamps