GM Service Manual Online
For 1990-2009 cars only
Makes
🢒
Cadillac
🢒
2007
🢒
Escalade EXT
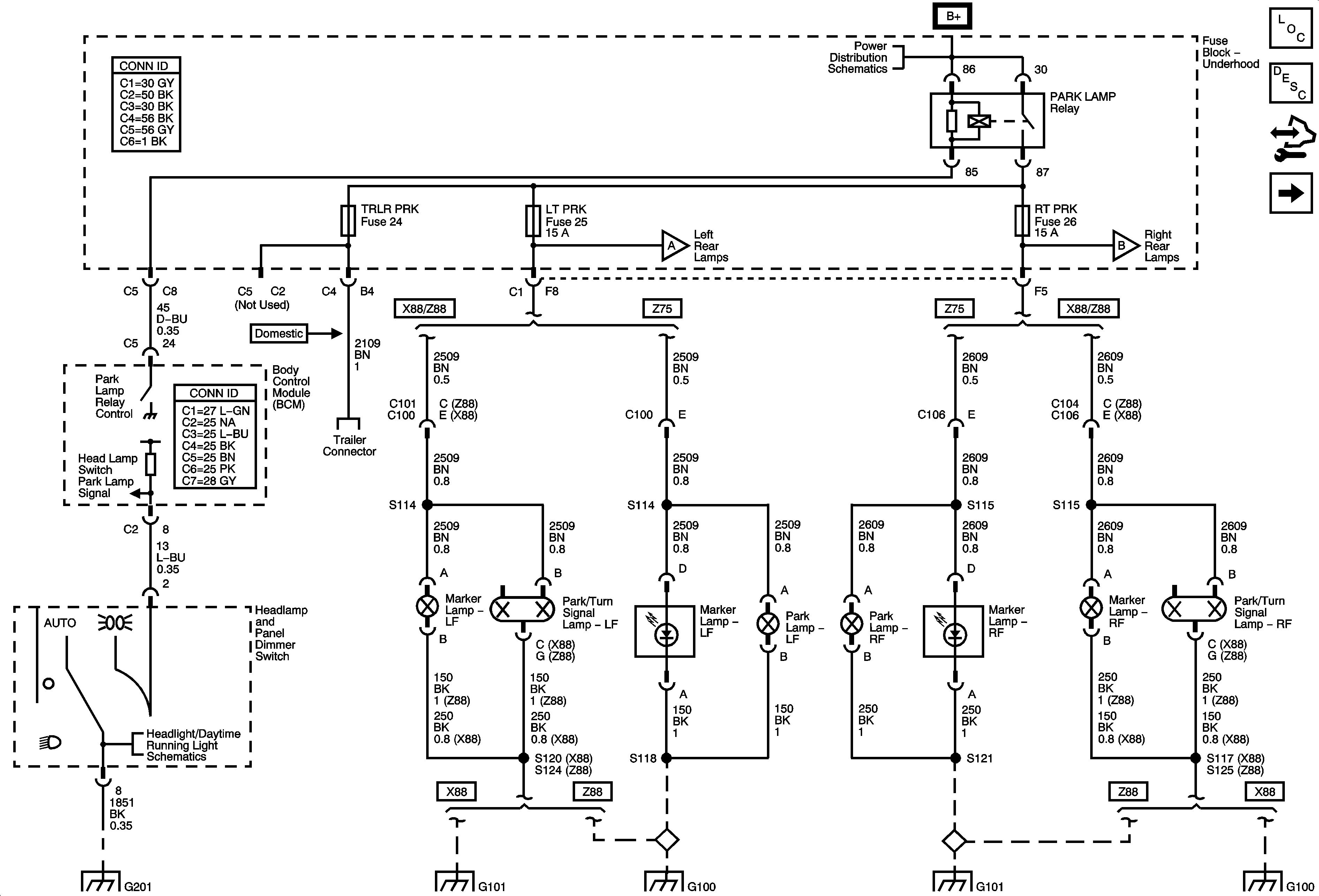
🢒 Park Lamp Controls and Front Park Lamps
Park Lamp Controls and Front Park Lamps
Park Lamp Controls and Front Park Lamps
Master Electrical Component List
Exterior Lighting Systems Description and Operation
Control Module References
Left Rear Park Lamps
B+ Bus - 1 of 3
Left Rear Park Lamps
Right Rear Park Lamps
Trailer Lighting Control - Export 1 of 2 and all Domestic
Headlamp and Daytime Running Lamp Controls
G201
G101
G100
G101
G100