GM Service Manual Online
For 1990-2009 cars only
Makes
🢒
Cadillac
🢒
2007
🢒
Escalade EXT
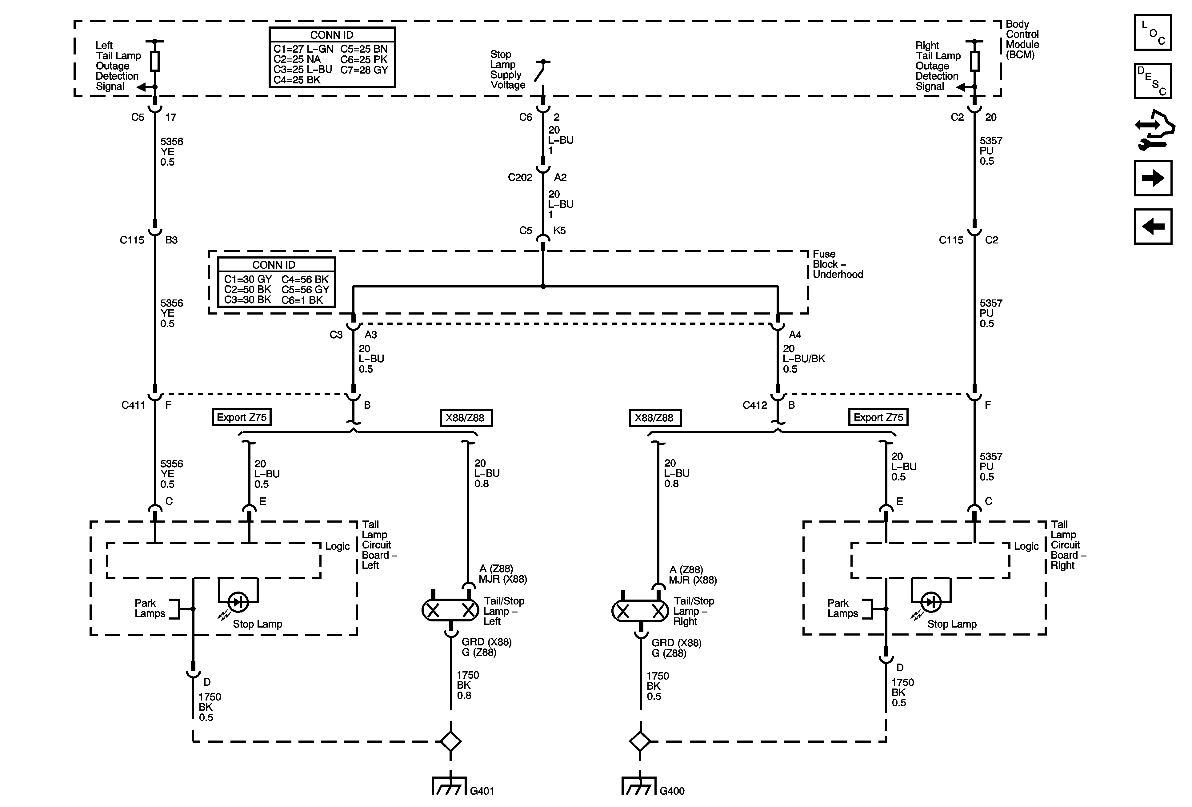
🢒 Stop Lamps - X88/Z88 and Export Z75
Stop Lamps - X88/Z88 and Export Z75
Stop Lamps - X88/Z88 and Export Z75
Master Electrical Component List
Exterior Lighting Systems Description and Operation
Control Module References
Stop Lamps - Domestic Z75
Stop Lamp Controls and CHMSL
Left Rear Park Lamps
G401
G400
Left Rear Park Lamps