GM Service Manual Online
For 1990-2009 cars only
Makes
🢒
Cadillac
🢒
2007
🢒
Escalade EXT
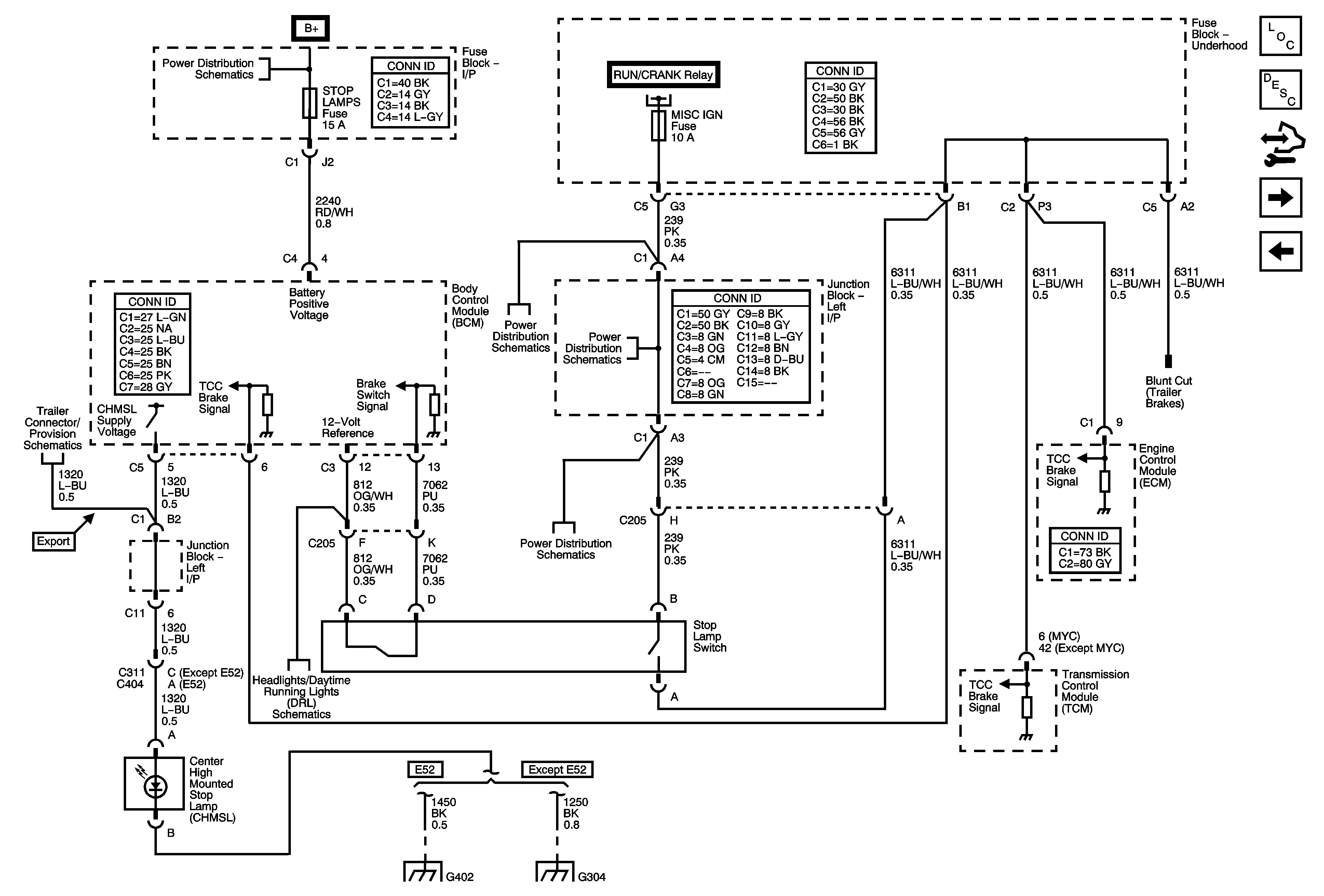
🢒 Stop Lamp Controls and CHMSL
Stop Lamp Controls and CHMSL
Stop Lamp Control and CHMSL
Master Electrical Component List
Exterior Lighting Systems Description and Operation
Control Module References
Stop Lamps - X88/Z88 and Export Z75
Rear Turn Signal Lamps
B+ Bus - 1 of 3
Export Trailer Wiring - 2 of 2
Dimming Control and LED Dimming - 1 of 3
G402 - E52
G303, G304, and G305
RUN/CRANK Bus - AIRBAG IGN, MISC IGN, ans SEO/ALC Fuses
RUN/CRANK Bus - AIRBAG IGN, MISC IGN, ans SEO/ALC Fuses
RUN/CRANK Bus - AIRBAG IGN, MISC IGN, ans SEO/ALC Fuses