GM Service Manual Online
For 1990-2009 cars only
Makes
🢒
Cadillac
🢒
2007
🢒
Escalade EXT
🢒 Rear
Rear
Rear
Master Electrical Component List
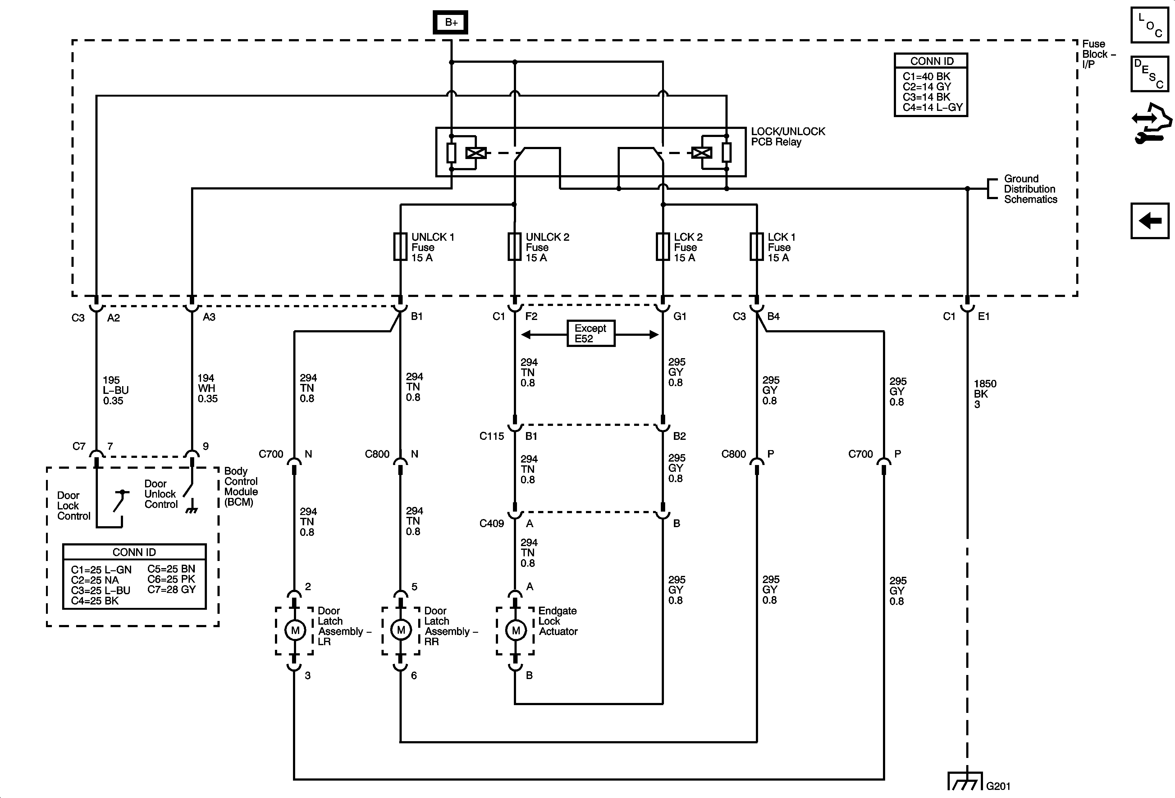
Power Door Locks Description and Operation
Control Module References
Front
G201
G201