GM Service Manual Online
For 1990-2009 cars only
Makes
🢒
Cadillac
🢒
2007
🢒
Escalade EXT
🢒 Front
Front
Front
Master Electrical Component List
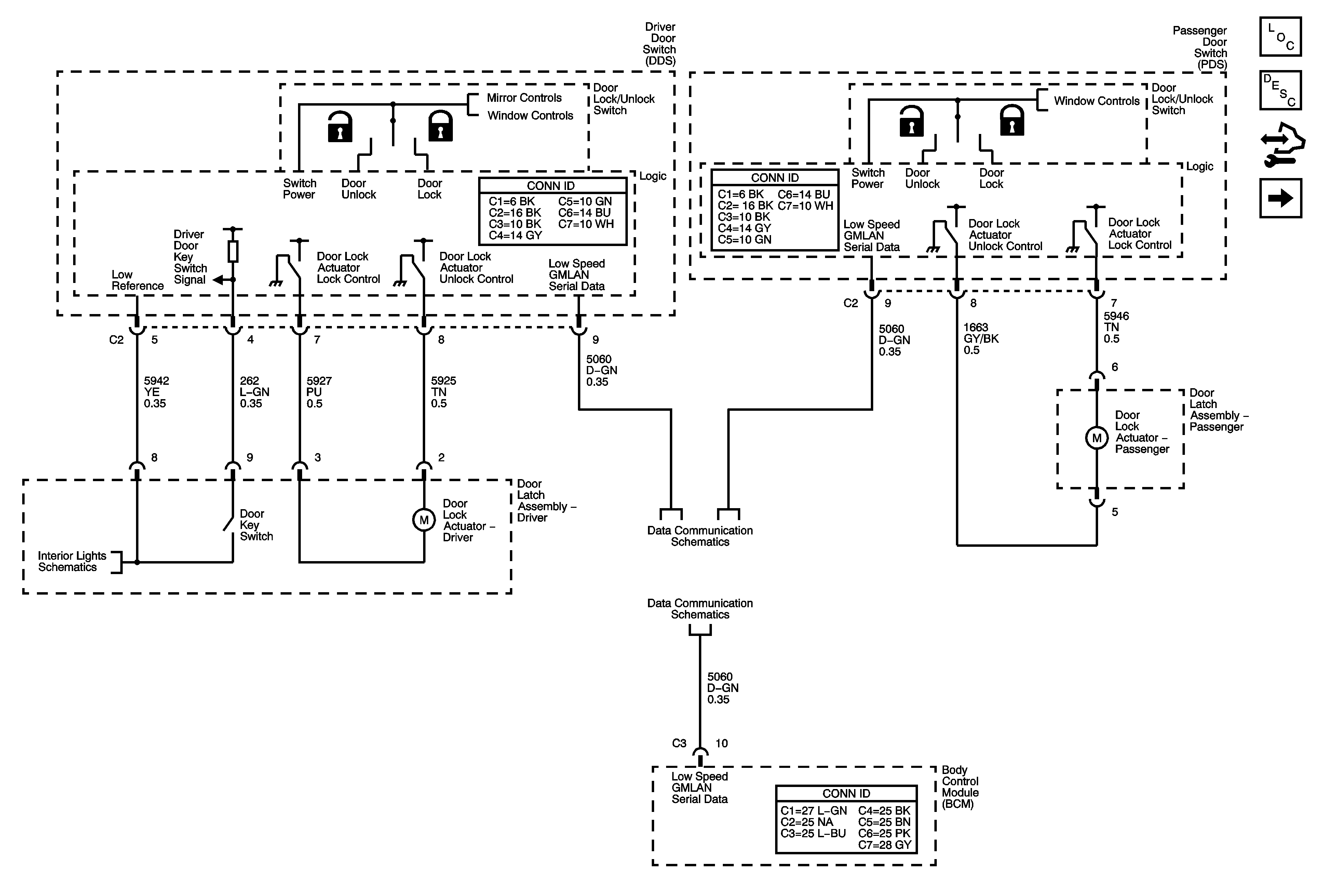
Power Door Locks Description and Operation
Control Module References
Rear
Low Speed Bus - SP200 - 1 of 3
Low Speed Bus - SP 200 - 2 of 3
Door Jamb Switches