GM Service Manual Online
For 1990-2009 cars only
Makes
🢒
Cadillac
🢒
2007
🢒
Escalade EXT
🢒 6-Way Power
6-Way Power
6-Way Power
Master Electrical Component List
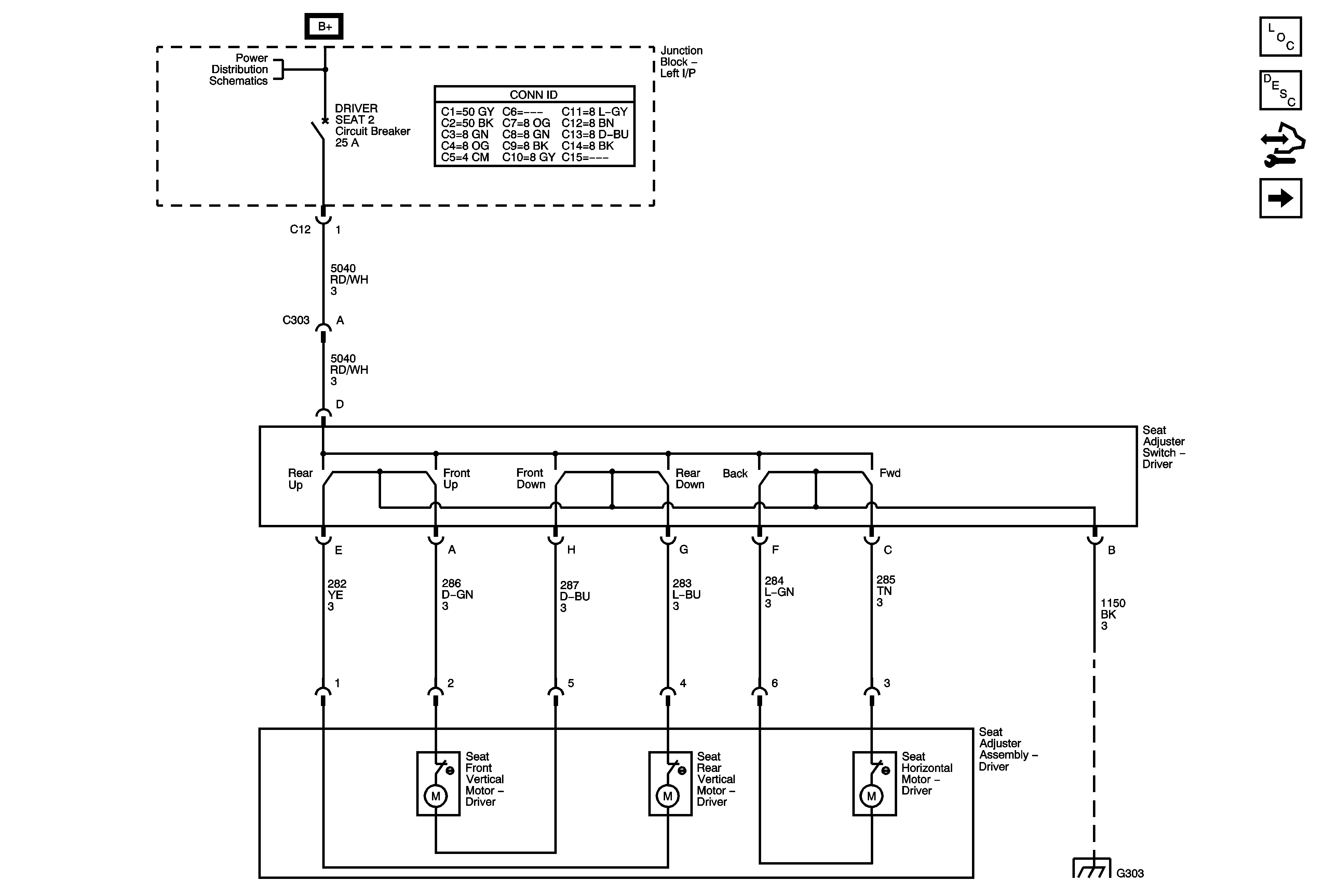
Power Seats System Description and Operation Front Seat
Control Module References
Module Power, Ground, Serial Data, and Memory Switch
B+ Bus - 1 of 3
G303, G304, and G305