GM Service Manual Online
For 1990-2009 cars only
Makes
🢒
Cadillac
🢒
2007
🢒
Escalade EXT
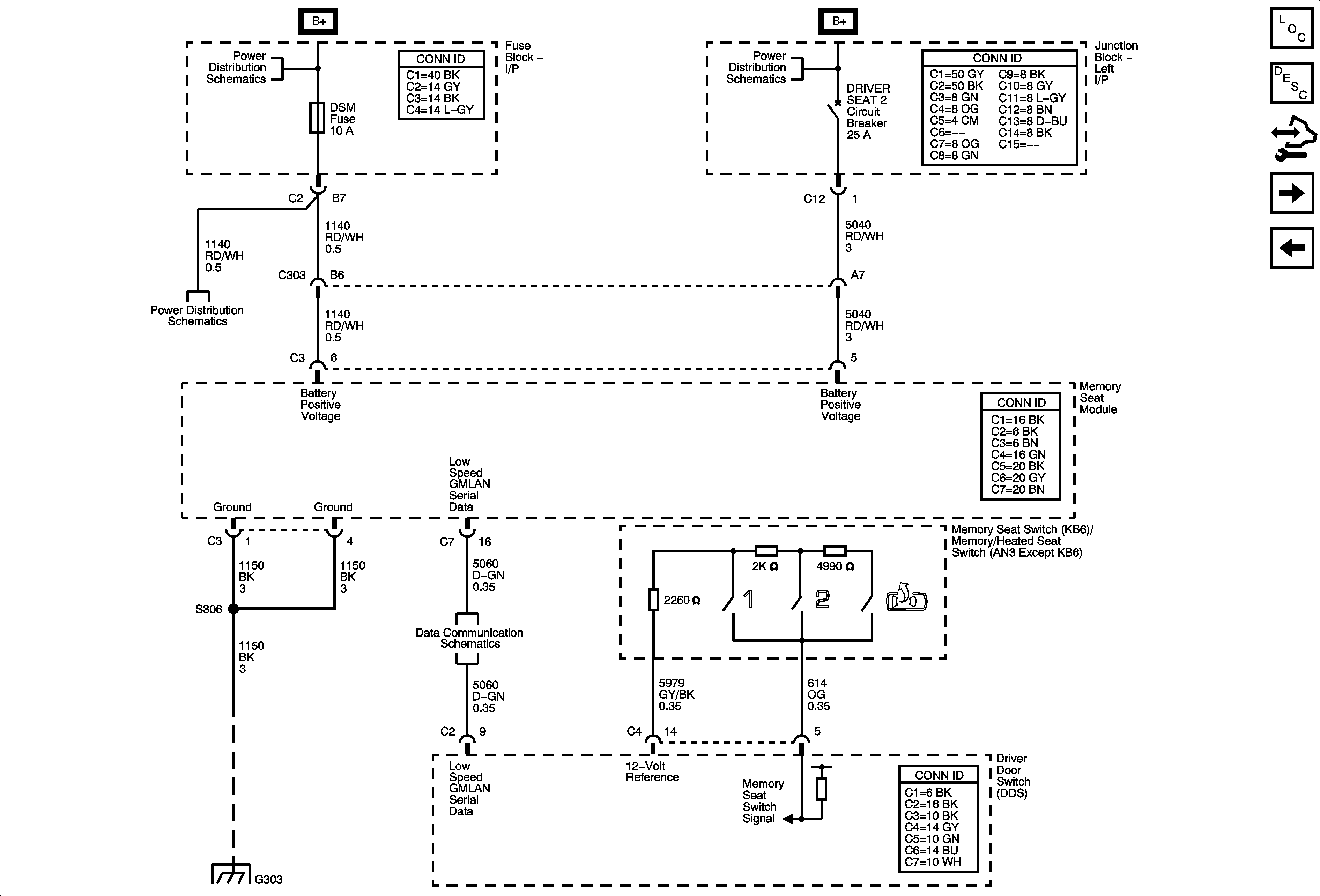
🢒 Module Power, Ground, Serial Data, and Memory Switch
Module Power, Ground, Serial Data, and Memory Switch
Module Power, Ground, Serial Data, and Memory Switches - AN3
Master Electrical Component List
Memory Seats Description and Operation
Control Module References
Seat Adjuster Switches - AN3
6-Way Power
B+ Bus - 1 of 3
BCM, COOLED SEATS, CTSY, DDM, DIM, DSM, LBEC 2, MBEC 1, REAR HVAC, and RT STOP TRN Fuses and DRIVER SEAT 2, PASS SEAT 1, and RT DOORS Circuit Breakers
G303, G304, and G305
Low Speed Bus - SP200 - 1 of 3
BCM, COOLED SEATS, CTSY, DDM, DIM, DSM, LBEC 2, MBEC 1, REAR HVAC, and RT STOP TRN Fuses and DRIVER SEAT 2, PASS SEAT 1, and RT DOORS Circuit Breakers