GM Service Manual Online
For 1990-2009 cars only
Makes
🢒
Cadillac
🢒
2007
🢒
Escalade EXT
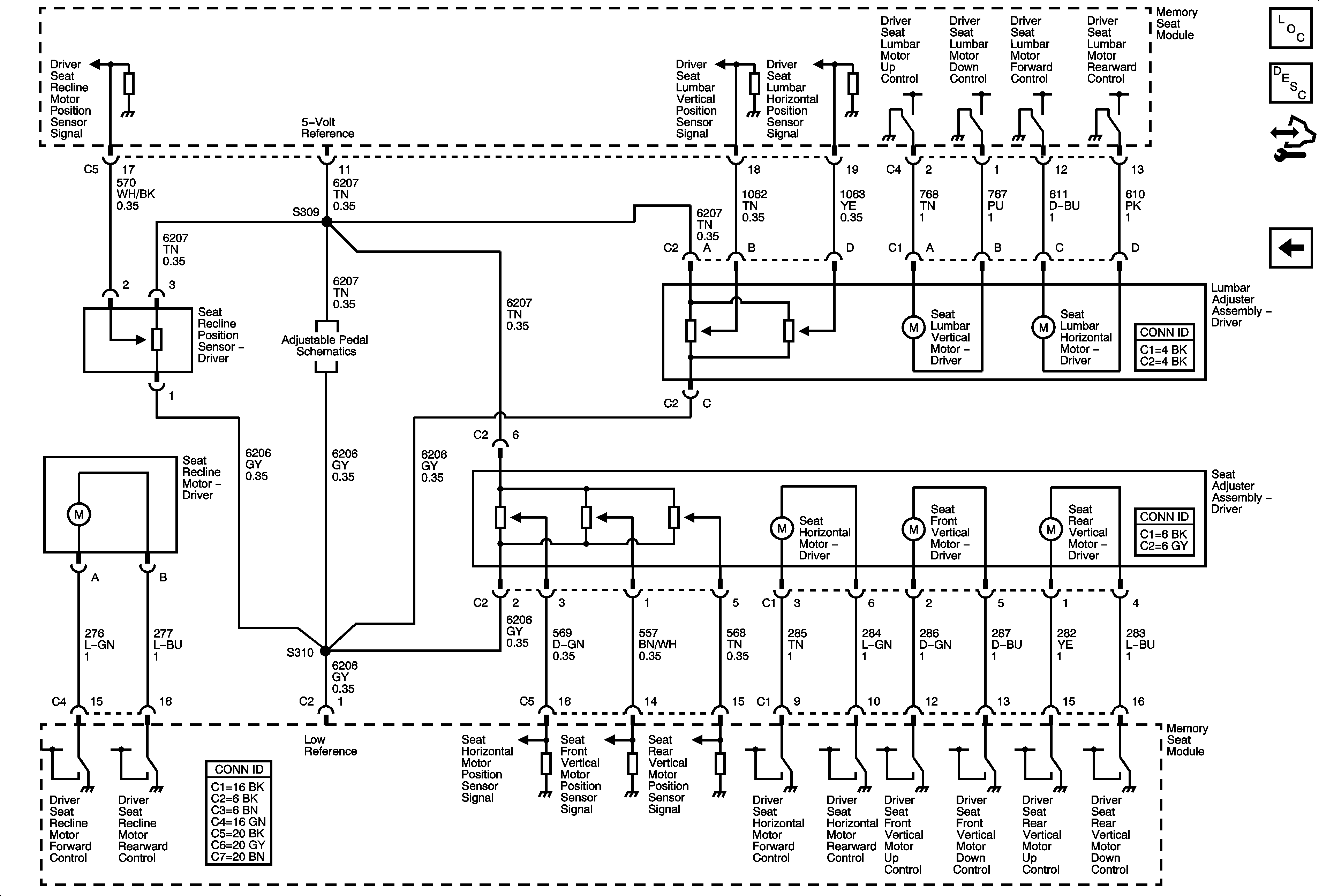
🢒 Motors and Position Sensors - AN3
Motors and Position Sensors - AN3
Motors and Position Sensors - AN3
Master Electrical Component List
Memory Seats Description and Operation
Control Module References
Seat Adjuster Switches - AN3
AN3