GM Service Manual Online
For 1990-2009 cars only
Makes
🢒
Cadillac
🢒
2007
🢒
Escalade EXT
🢒 AN3
AN3
AN3
Master Electrical Component List
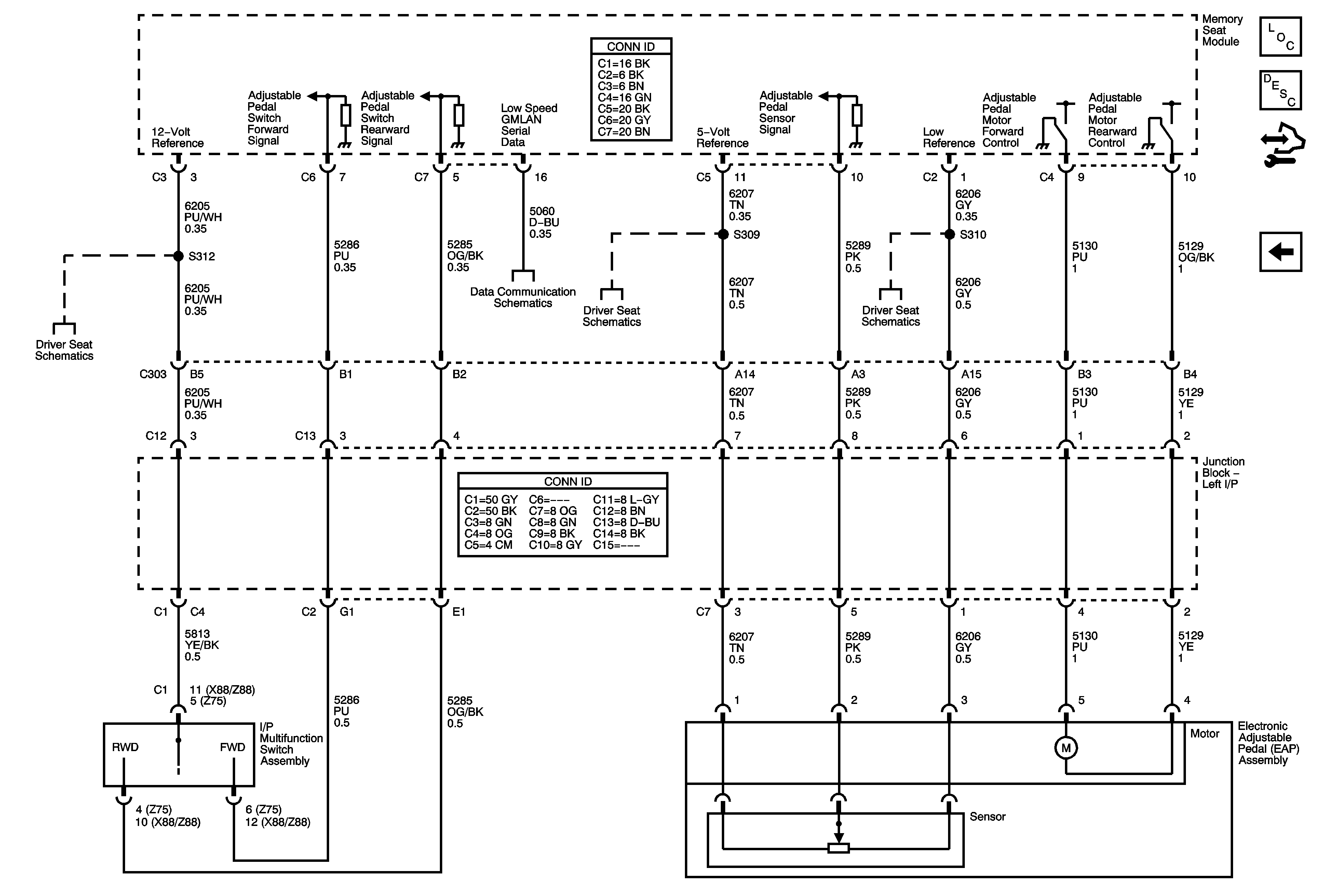
Adjustable Pedals Description and Operation w/o Memory
Control Module References
Except AN3
Seat Adjuster Switches - AN3
Low Speed Bus - SP200 - 3 of 3 and SP300
Motors and Position Sensors - AN3
Motors and Position Sensors - AN3