GM Service Manual Online
For 1990-2009 cars only
Makes
🢒
Cadillac
🢒
2007
🢒
Escalade EXT
🢒 Vehicle Theft Deterrent
Vehicle Theft Deterrent
Master Electrical Component List
Immobilizer Description and Operation
Control Module References
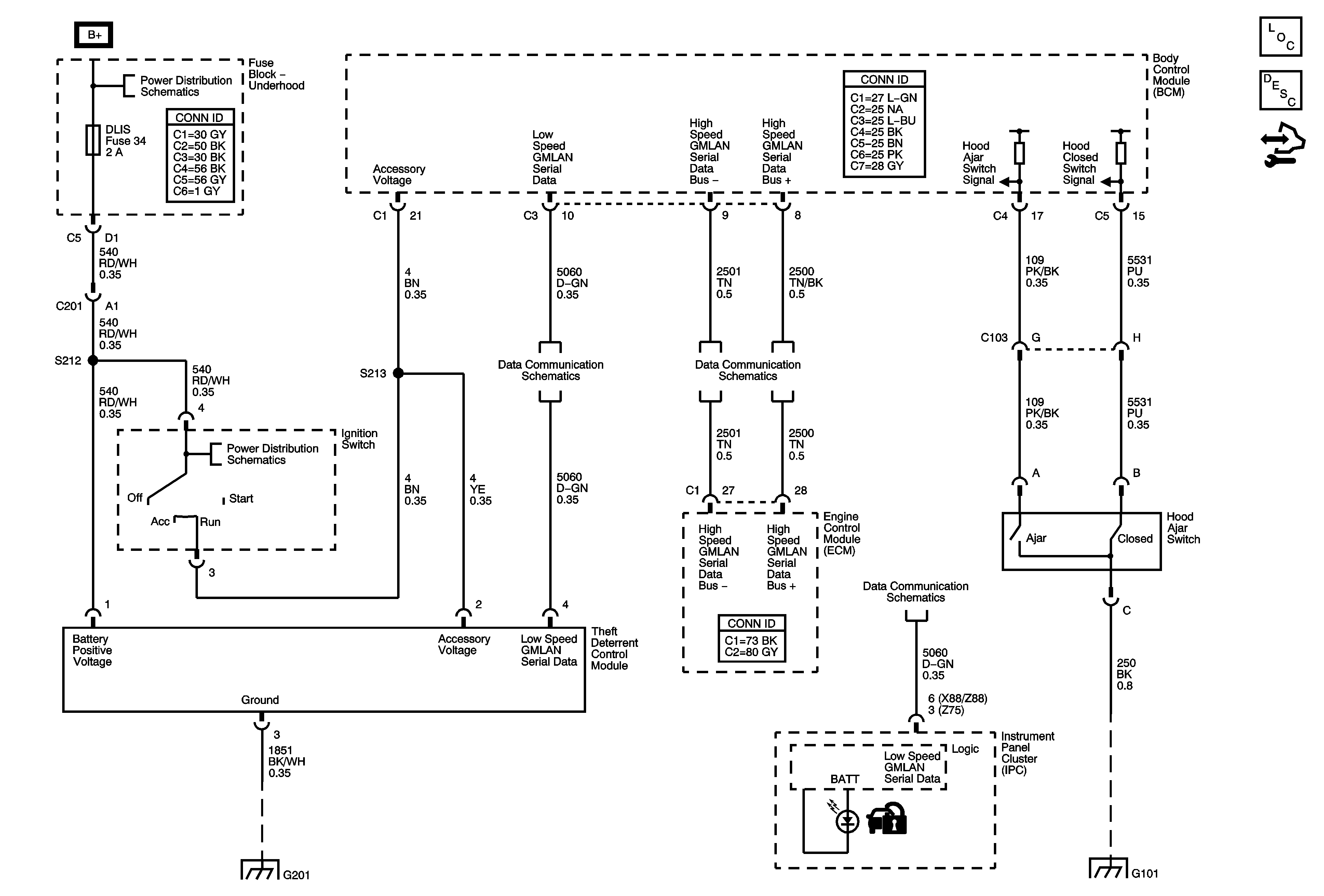
DLIS Fuse and Ignition Switch
DLIS Fuse and Ignition Switch
G201
Low Speed Bus - SP 200 - 2 of 3
High Speed Bus - 1 of 2
Low Speed Bus - SP200 - 1 of 3
G101