GM Service Manual Online
For 1990-2009 cars only
Makes
🢒
Cadillac
🢒
2007
🢒
Escalade EXT
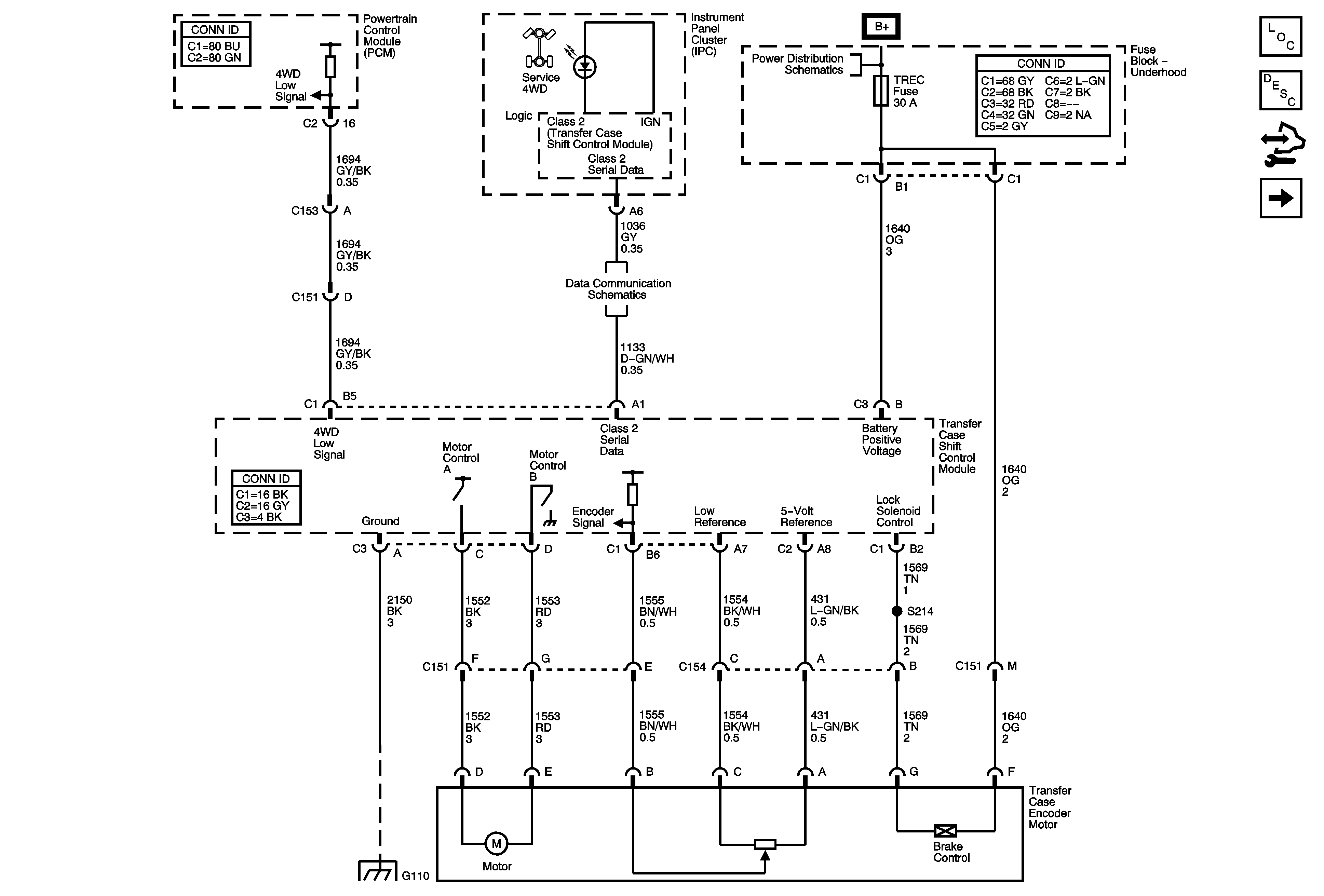
🢒 Power, Ground, Serial Data, and Transfer Case Encoder Motor
Power, Ground, Serial Data, and Transfer Case Encoder Motor
Power, Ground, Serial Data, and Transfer Case Encoder Motor
Master Electrical Component List
Transfer Case Description and Operation
Control Module References
Propshaft Speed Sensors, Front Axle Actuator, and Transfer Case Shift Control Switch
B+ Bus Bar
Power, Ground, DLC and Splice Pack SP205
G104, G107, and G110