GM Service Manual Online
For 1990-2009 cars only
Makes
🢒
Cadillac
🢒
2007
🢒
Escalade EXT
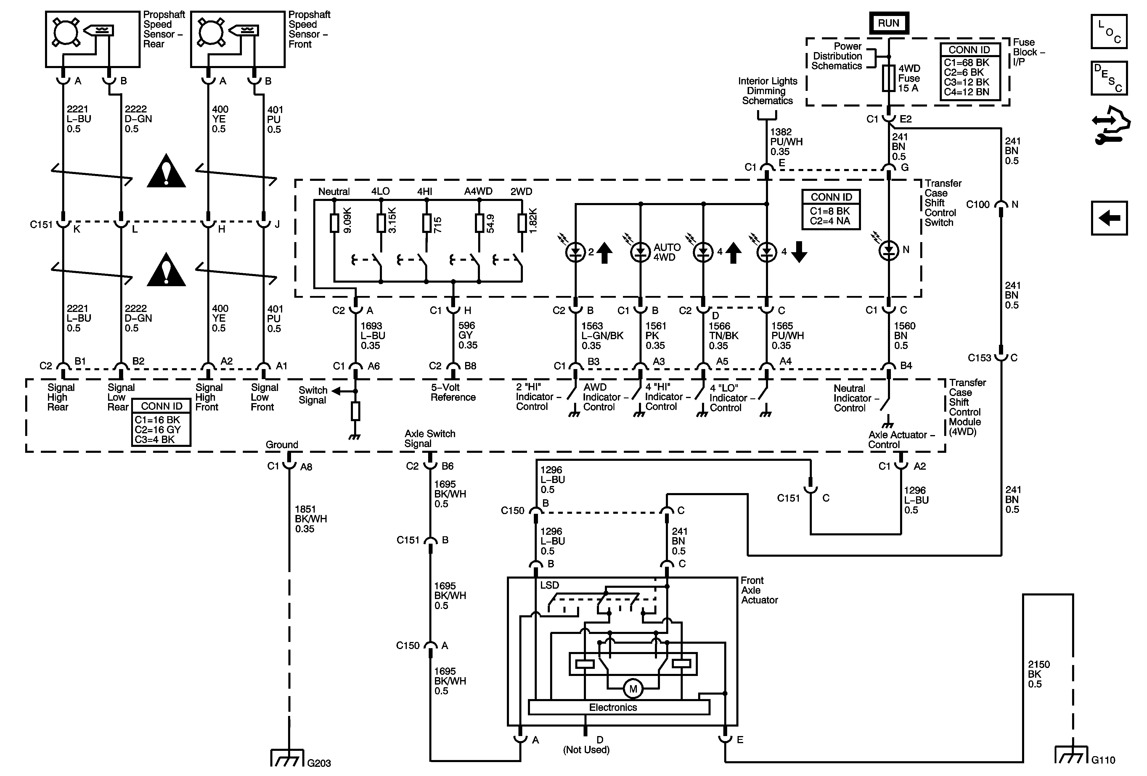
🢒 Propshaft Speed Sensors, Front Axle Actuator, and Transfer Case Shift Control Switch
Propshaft Speed Sensors, Front Axle Actuator, and Transfer Case Shift Control Switch
Prop Shaft Speed Sensors, Front Axle Actuator, and Transfer Case Shift Control Switch
Master Electrical Component List
Transfer Case Description and Operation
Control Module References
Power, Ground, Serial Data, and Transfer Case Encoder Motor
Ignition Switch - START, RUN, and ACC/RUN/START BUS BARS, IGN A, and CRNK Fuses
LED Dimming Supply - 2 of 2
G203 - 1 of 2
G104, G107, and G110
Transfer Case Control Schematic Icons
Transfer Case Control Schematic Icons