GM Service Manual Online
For 1990-2009 cars only
Makes
🢒
Cadillac
🢒
2007
🢒
Escalade EXT
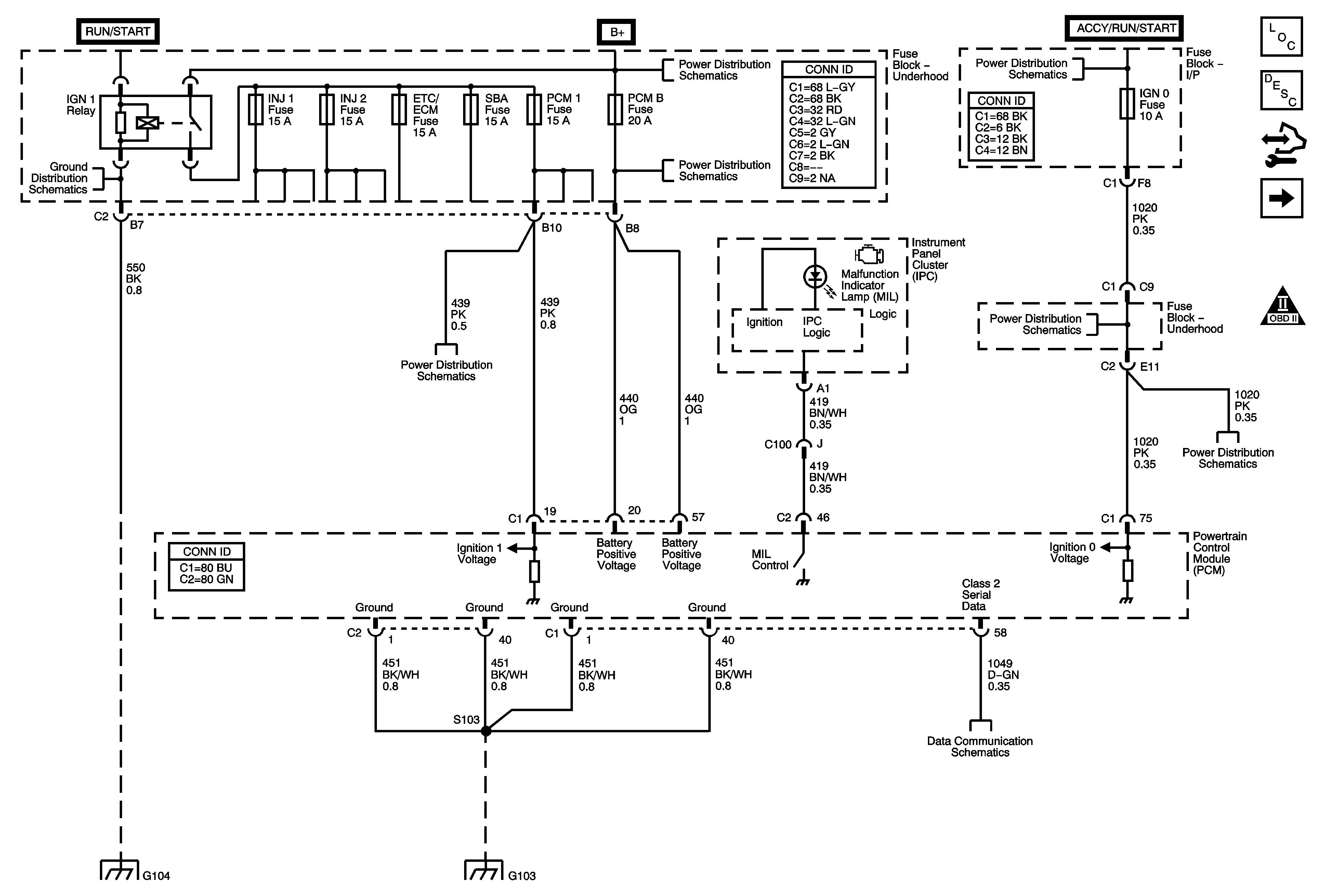
🢒 Module Power, Ground, Serial Data, and MIL
Module Power, Ground, Serial Data, and MIL
Module Power, Ground, Serial Data, and MIL
Master Electrical Component List
Powertrain Control Module Description
Control Module References
Engine Data Sensors - 5-Volt and Low Reference
Engine Controls Schematic Icons
G104, G107, and G110
ETC/ECM, INJ1, INJ2, PCM 1, and SBA Fuses - Gas
B+ Bus Bar
AUX PWR, AUX PWR 2, DDM, ECC/TCM, ECM B, LBEC 2, LCKS, PCM B, PDM, and TCM B Fuses
Ignition Switch - START, RUN, and ACC/RUN/START BUS BARS, IGN A, and CRNK Fuses
IGN 0, RR WPR, SEO ACCY, TBC ACCY, TBC IGN 0, and WS WPR Fuses
IGN 0, RR WPR, SEO ACCY, TBC ACCY, TBC IGN 0, and WS WPR Fuses
G104, G107, and G110
G103 and G106 - Gas
Power, Ground, DLC and Splice Pack SP205