GM Service Manual Online
For 1990-2009 cars only
Makes
🢒
Cadillac
🢒
2007
🢒
Escalade EXT
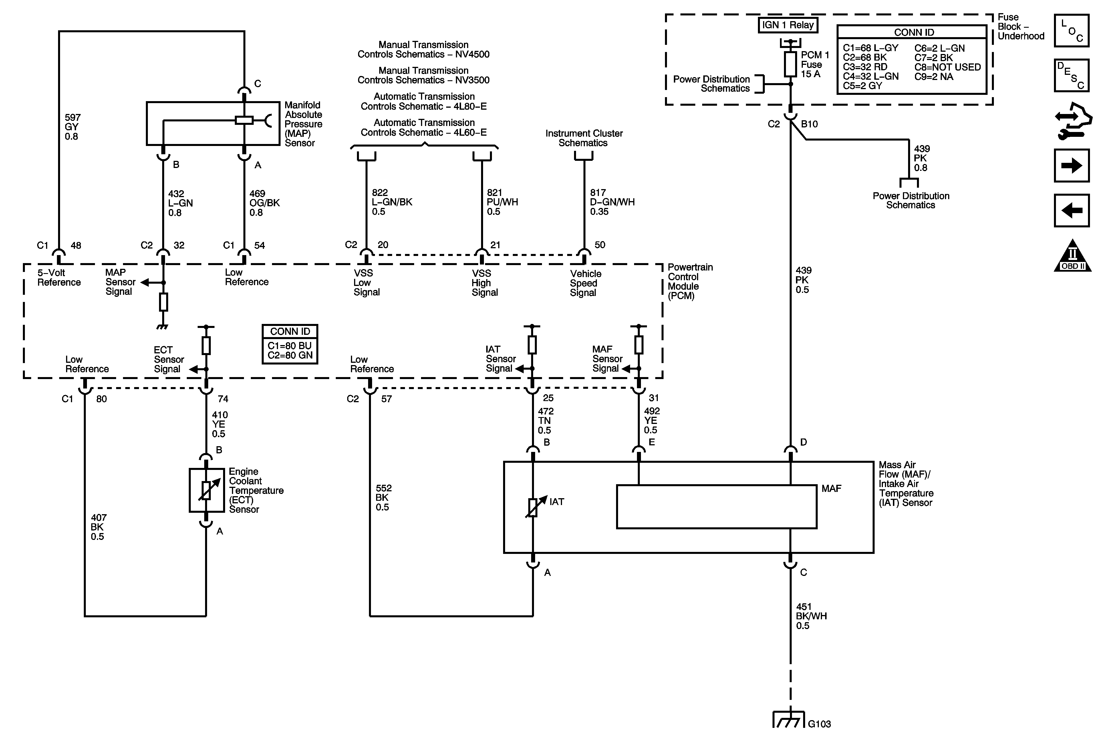
🢒 Engine Data Sensors - Pressure, Temperature, MAF, and VSS
Engine Data Sensors - Pressure, Temperature, MAF, and VSS
Engine Data Sensors - Pressure, Temperature, MAF, and VSS
Master Electrical Component List
Electronic Ignition (EI) System Description
Control Module References
Engine Data Sensors - Oxygen Sensors (w/o HP2)
Engine Data Sensors - 5-Volt and Low Reference
Engine Controls Schematic Icons
Manual Transmission NV4500 Schematics
Manual Transmission NV3500 Schematics
Pressure Controls, Temperature, and VSS
Pressure Controls, Temperature, and VSS
Gages, Vehicle Speed Sensor, Engine Oil Pressure, and Fuel Level Sensors
ETC/ECM, INJ1, INJ2, PCM 1, and SBA Fuses - Gas
ETC/ECM, INJ1, INJ2, PCM 1, and SBA Fuses - Gas
ETC/ECM, INJ1, INJ2, PCM 1, and SBA Fuses - Gas
G103 and G106 - Gas