GM Service Manual Online
For 1990-2009 cars only
Makes
🢒
Cadillac
🢒
2007
🢒
Escalade EXT
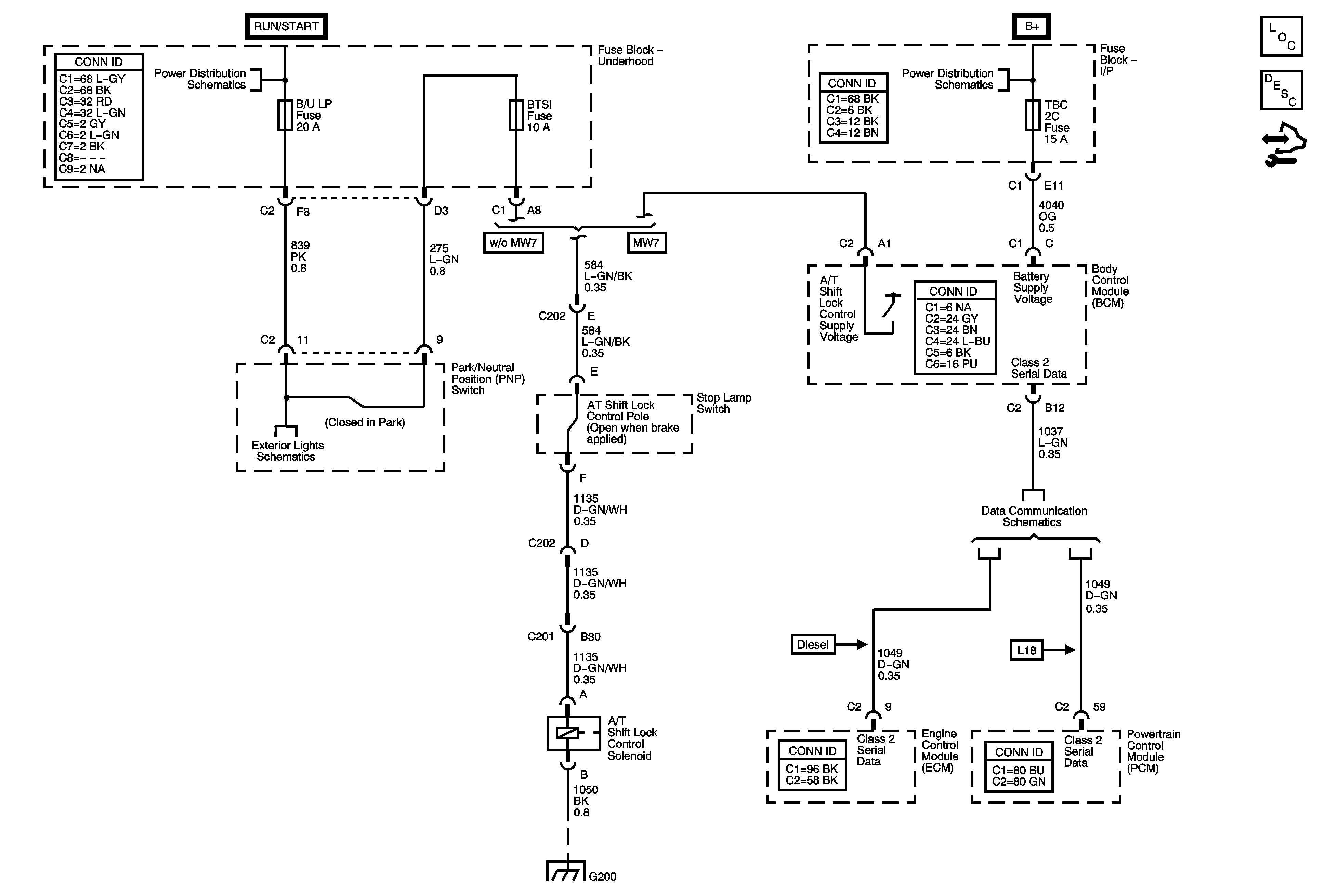
🢒 Shift Lock Control Schematics
Shift Lock Control Schematics
Master Electrical Component List
Automatic Transmission Shift Lock Control Description and Operation (without Allison Transmission)
Control Module References
Ignition Switch - ACC/RUN and RUN/START BUS BARS and IGN B Fuse
Backup Lamps (except MW7)
BLWR, HAZRD, HVAC/EXAS, LBEC 1, RR DEFOG, RR HVAC, TBC 2A, TBC 2B, and TBC 2C Fuses, and LT DOOR Circuit Breaker
Power, Ground, DLC and Splice Pack SP205
G115 and G200 - 1 of 2