GM Service Manual Online
For 1990-2009 cars only
Makes
🢒
Cadillac
🢒
2007
🢒
Escalade EXT
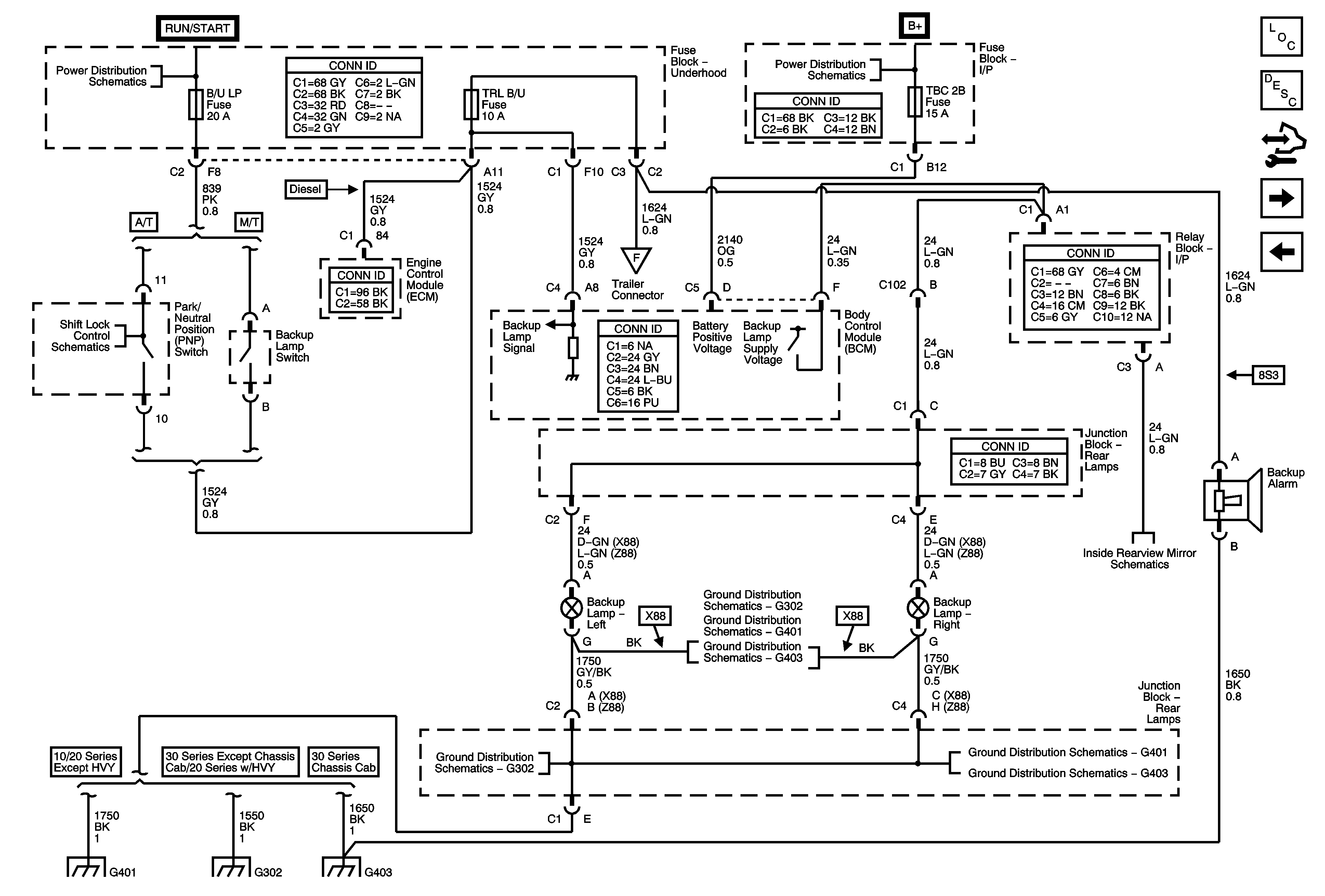
🢒 Backup Lamps (except MW7)
Backup Lamps (except MW7)
Backup Lamps (Except MW7)
Master Electrical Component List
Exterior Lighting Systems Description and Operation
Control Module References
Backup Lamps (MW7)
Exterior Illumination Lamp
Ignition Switch - ACC/RUN and RUN/START BUS BARS and IGN B Fuse
Shift Lock Control Schematics
G302
G401
G403
Trailer and Camper Wiring
G401
G302
G403
G302
G401
G403
Inside Rearview Mirror Schematics
B+ Bus Bar