GM Service Manual Online
For 1990-2009 cars only
Makes
🢒
Cadillac
🢒
2007
🢒
Escalade EXT
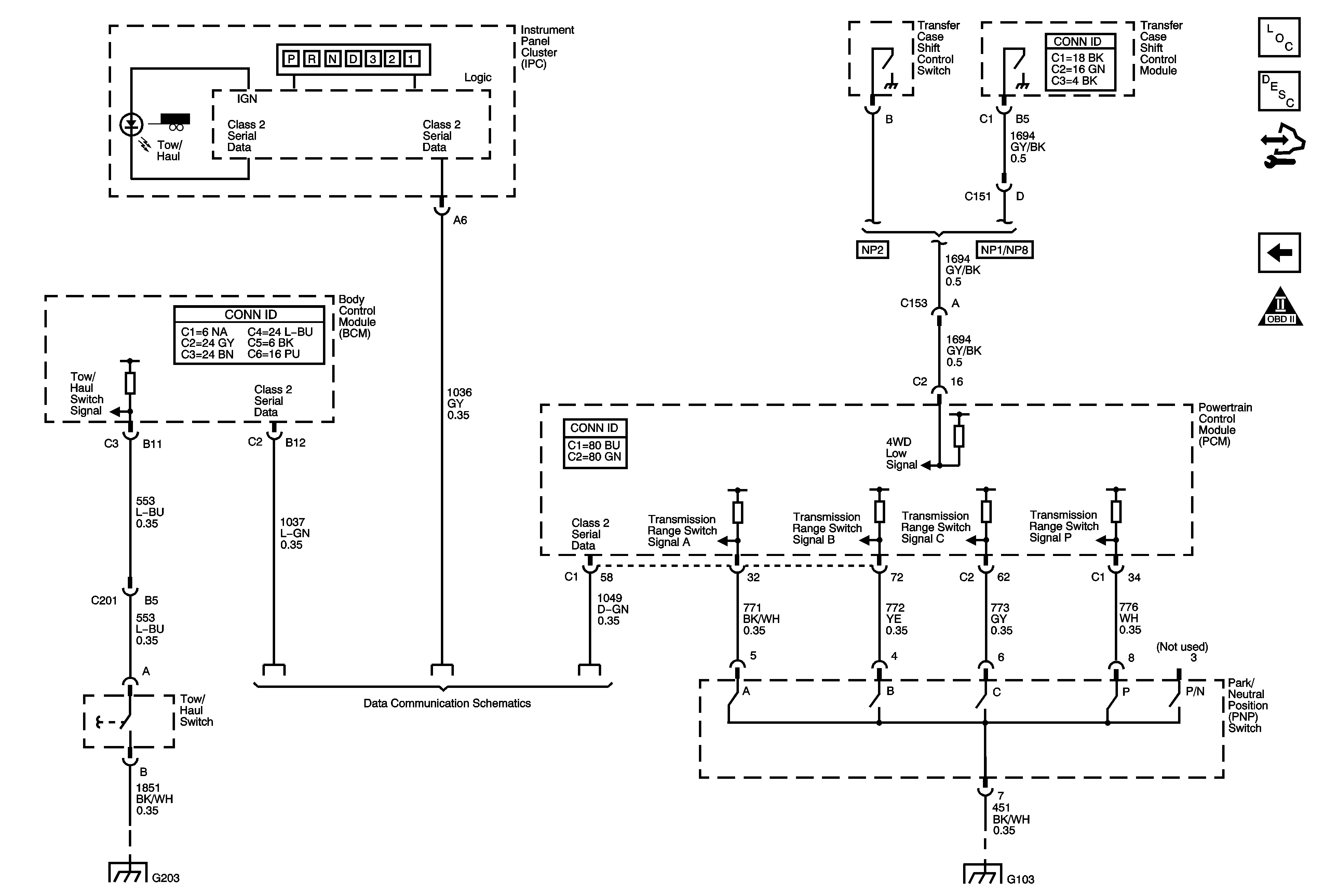
🢒 PNP Switch, 4WD Signal, Tow/Haul. Serial Data, and Indicator
PNP Switch, 4WD Signal, Tow/Haul. Serial Data, and Indicator
PNP Switch, 4WD Signal, Tow/Haul, Serial Data, and Indicator
Master Electrical Component List
Electronic Component Description
Control Module References
Pressure Controls, Temperature, and VSS
Automatic Transmission Schematic Icons
G203 - 2 of 2
Power, Ground, DLC and Splice Pack SP205
G103 and G106 - Gas