GM Service Manual Online
For 1990-2009 cars only
Makes
🢒
Cadillac
🢒
2007
🢒
Escalade EXT
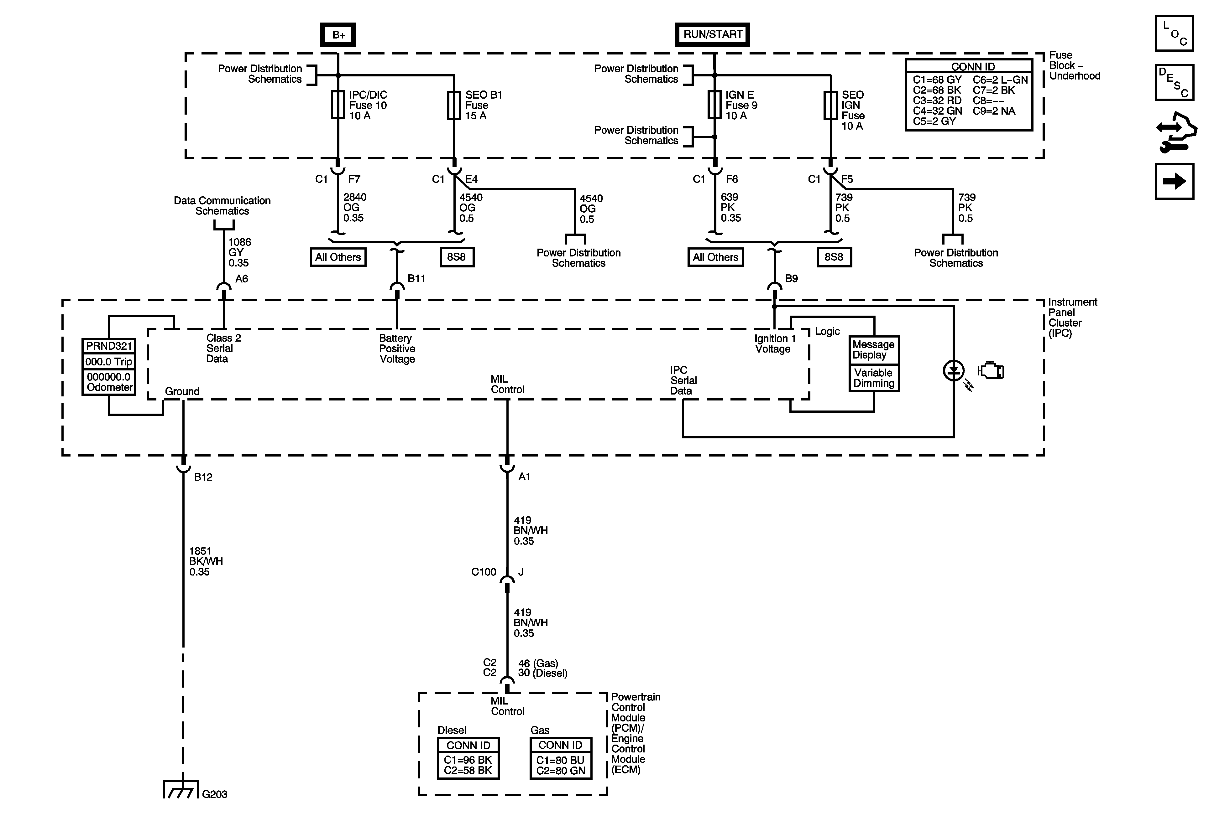
🢒 Power, Ground, Serial Data, and MIL Indicator
Power, Ground, Serial Data, and MIL Indicator
Power, Ground, Serial Data, and MIL Indicator
Master Electrical Component List
Instrument Cluster Description and Operation
Control Module References
Indicators, Water in Fuel Sensor, Engine Oil Level Switch, and Washer Fluid Level Sensor
B+ Bus Bar
Power, Ground, DLC and Splice Pack SP205
G203 - 1 of 2
IPC/DIC, LH HID, RH HID, SEO B1, and TBC BATT Fuses
Ignition Switch - ACC/RUN and RUN/START BUS BARS and IGN B Fuse
IGN E and AIRBAG Fuses
B/U LP, BTSI, O2A, O2B, TBC IGN 1, and TRL B/U Fuses