GM Service Manual Online
For 1990-2009 cars only
Makes
🢒
Cadillac
🢒
2007
🢒
Escalade EXT
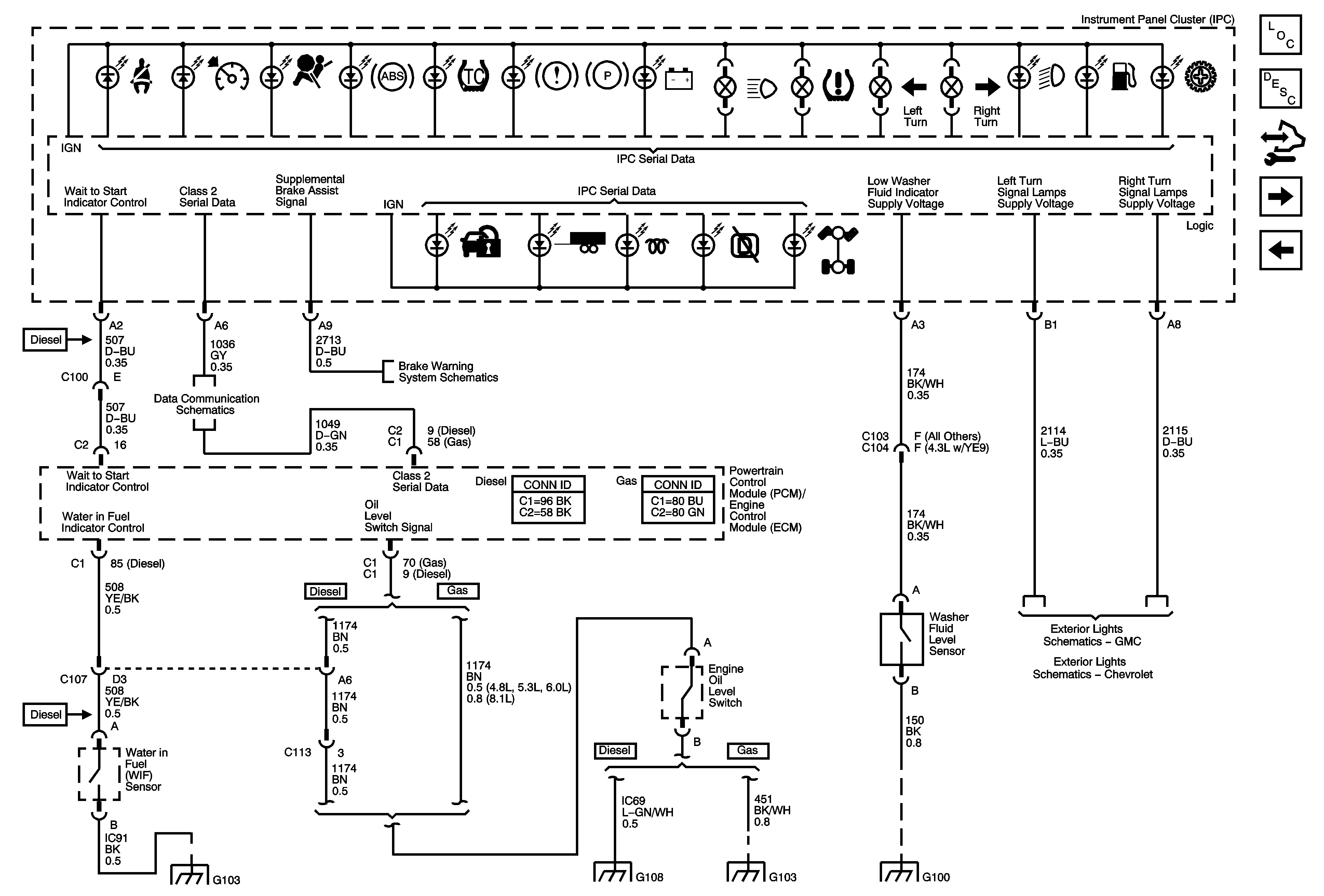
🢒 Indicators, Water in Fuel Sensor, Engine Oil LevelSwitch, and Washer Fluid Level Sensor
Indicators, Water in Fuel Sensor, Engine Oil LevelSwitch, and Washer Fluid Level Sensor
Indicators, Water in Fuel Sensor, Engine Oil Level Switch, and Washer Fluid Level Sensor
Master Electrical Component List
Instrument Cluster Description and Operation
Control Module References
Gages, Vehicle Speed Sensor, Engine Oil Pressure, and Fuel Level Sensors
Power, Ground, Serial Data, and MIL Indicator
Power, Ground, DLC and Splice Pack SP205
Supplemental Brake Assist
G102, G103, and G108 - Diesel
G102, G103, and G108 - Diesel
G103 and G106 - Gas
G100 and G102
Turn Signals - Chevrolet
Turn Signals - GMC