GM Service Manual Online
For 1990-2009 cars only
Makes
🢒
Cadillac
🢒
2007
🢒
Escalade EXT
🢒 Diesel
Diesel
Diesel
Master Electrical Component List
Control Module References
4.8L, 5.3L, 6.0L, and 8.1L
Ignition Switch - START, RUN, and ACC/RUN/START BUS BARS, IGN A, and CRNK Fuses
Power Take Off Schematics
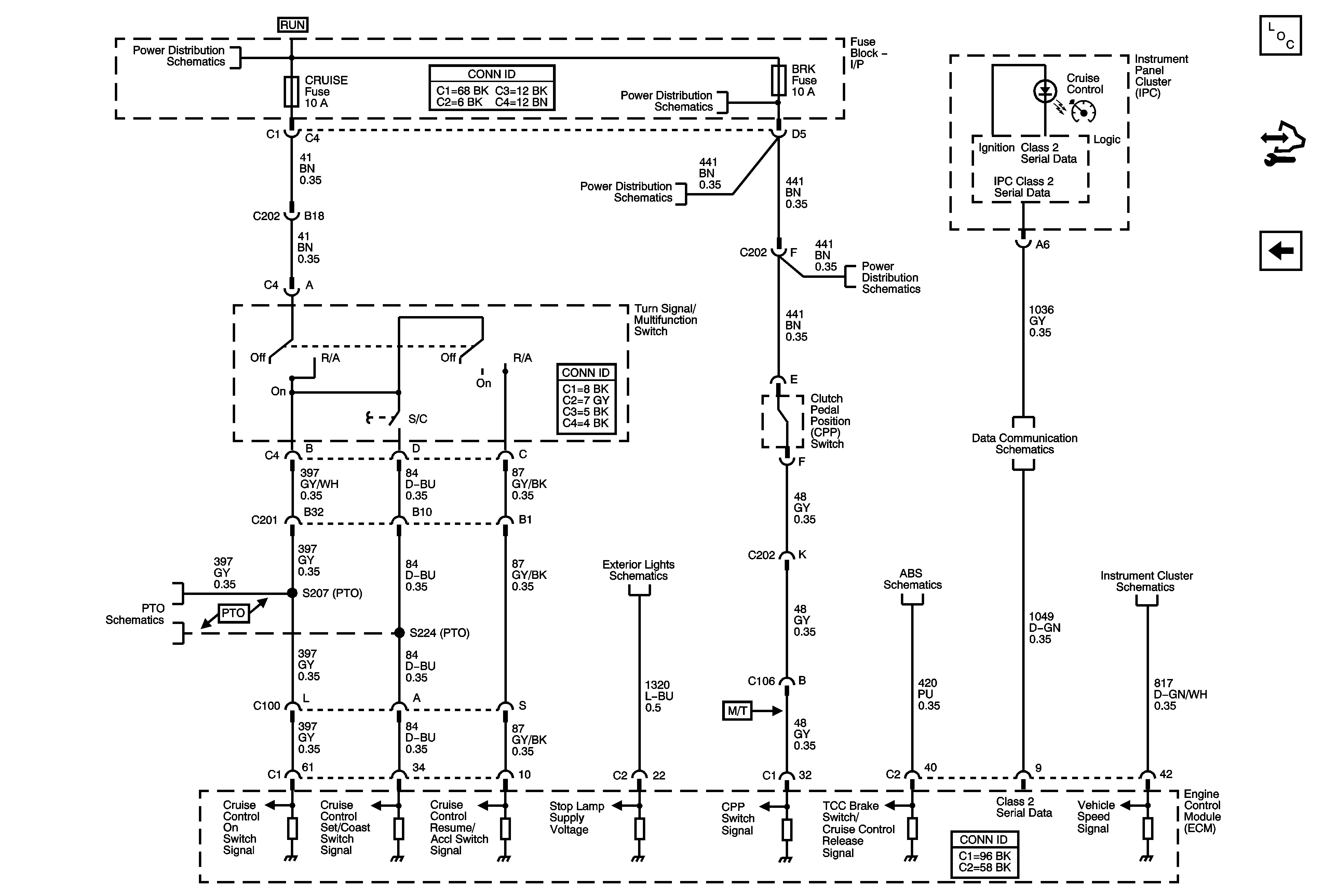
4WD, BRK, CRUISE, HTR/AC, and HVAC 1 Fuses
4WD, BRK, CRUISE, HTR/AC, and HVAC 1 Fuses
Stop Lamp Switch and Signals
4WD, BRK, CRUISE, HTR/AC, and HVAC 1 Fuses
Power, Ground, Serial Data, Indicator and Stop Lamp Switch - All Others
Power, Ground, DLC and Splice Pack SP205
Gages, Vehicle Speed Sensor, Engine Oil Pressure, and Fuel Level Sensors