GM Service Manual Online
For 1990-2009 cars only
Makes
🢒
Cadillac
🢒
2007
🢒
Escalade EXT
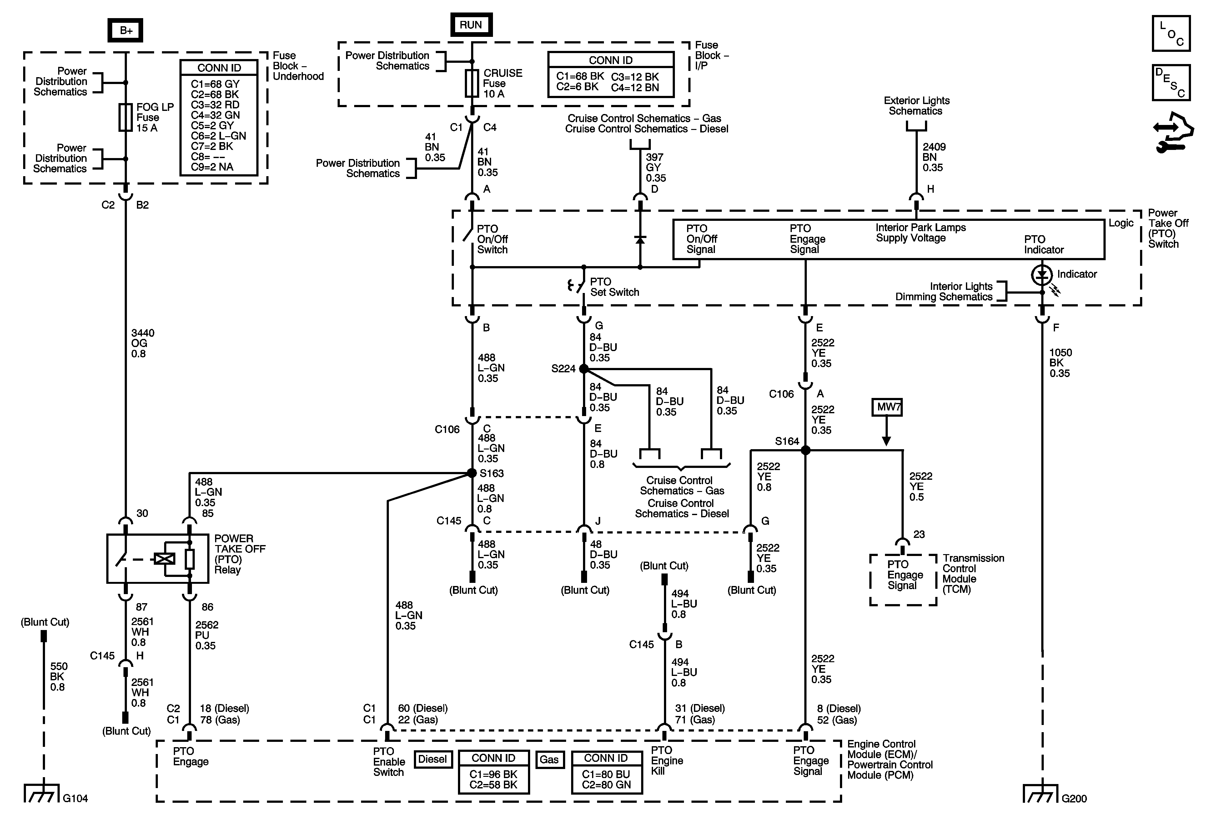
🢒 Power Take Off Schematics
Power Take Off Schematics
Master Electrical Component List
Power Take-Off (PTO) Description and Operation
Control Module References
B+ Bus Bar
CIG LTR, EAP, INFO, and RVC Fuses
Ignition Switch - START, RUN, and ACC/RUN/START BUS BARS, IGN A, and CRNK Fuses
4WD, BRK, CRUISE, HTR/AC, and HVAC 1 Fuses
4.8L, 5.3L, 6.0L, and 8.1L
Diesel
G104, G107, and G110
4.8L, 5.3L, 6.0L, and 8.1L
Diesel
Interior Park
I/P Lamps Dimming Control Supply - 2 of 3
G200 - 2 of 2