GM Service Manual Online
For 1990-2009 cars only
Makes
🢒
Cadillac
🢒
2007
🢒
Escalade EXT
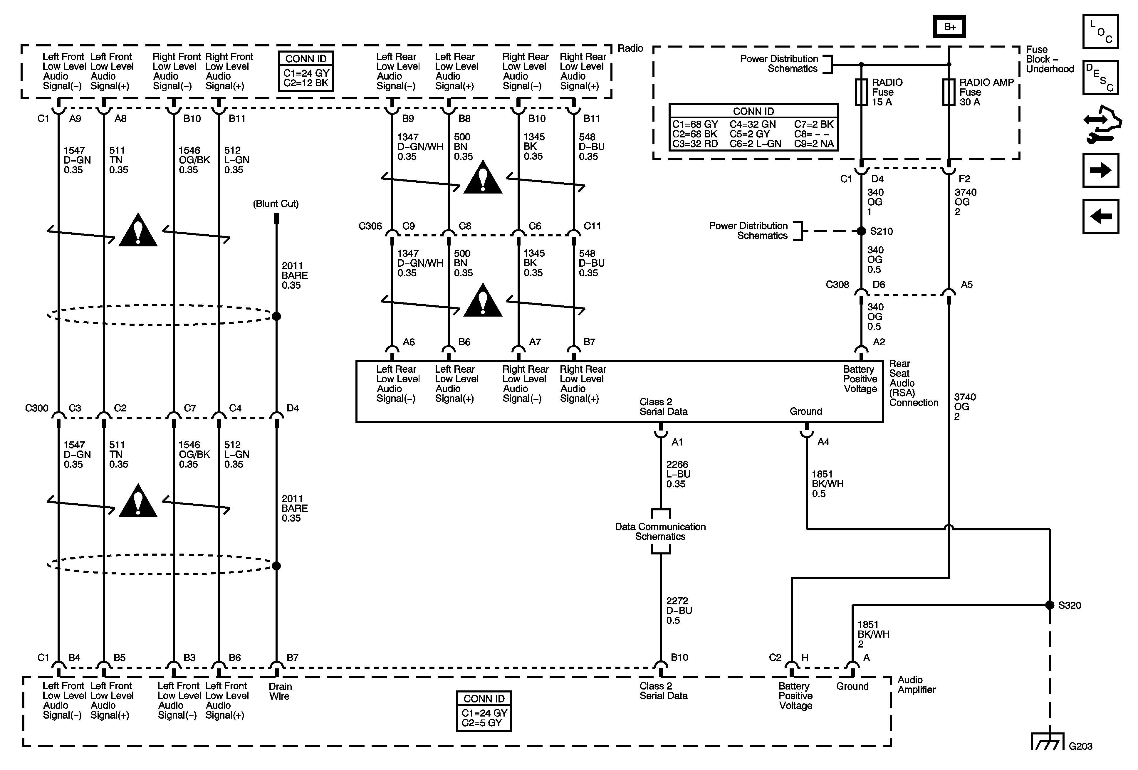
🢒 Rear Seat Audio (RSA) Controller and Amplifier
Rear Seat Audio (RSA) Controller and Amplifier
Rear Seat Audio (RSA) Controller and Amplifier
Master Electrical Component List
Radio/Audio System Description and Operation
Control Module References
Front Speakers
Rear Seat Entertainment (RSE) Assembly (U42), Digital Radio Receiver (U2K), and Remote Playback Device - CD Player (U1S)
Entertainment/Communication Schematic Icons
Entertainment/Communication Schematic Icons
Entertainment/Communication Schematic Icons
Entertainment/Communication Schematic Icons
Splice Pack SP207
RADIO, RADIO/AMP, and S/ROOF Fuses
B+ Bus Bar
G203 - 1 of 2