GM Service Manual Online
For 1990-2009 cars only
Makes
🢒
Cadillac
🢒
2007
🢒
Escalade EXT
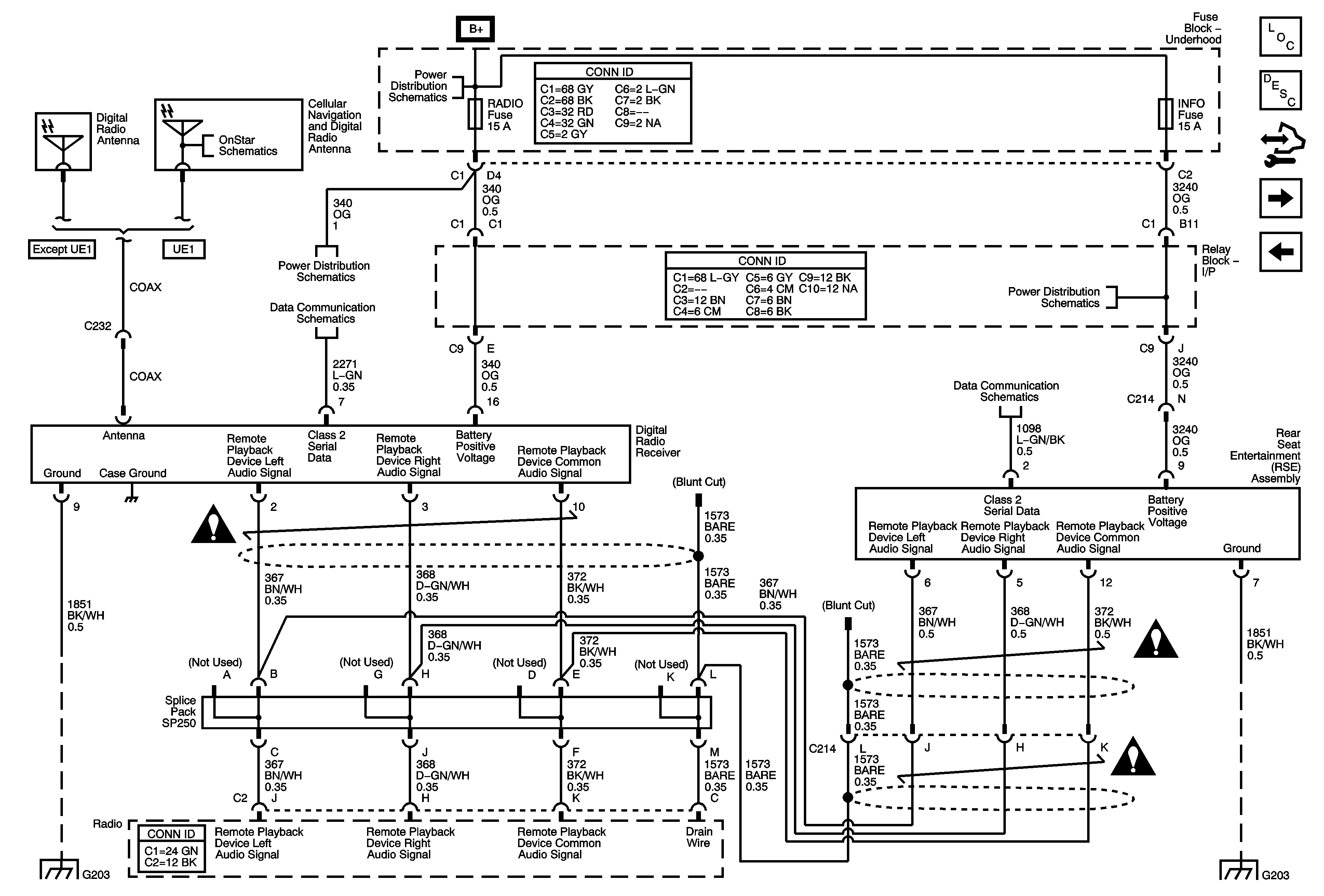
🢒 Digital Radio Receiver (U2K) and Rear Seat Entertainment (RSE) Assembly (U42)
Digital Radio Receiver (U2K) and Rear Seat Entertainment (RSE) Assembly (U42)
Digital Radio Receiver (U2K) and Rear Seat Entertainment (RSE) Assembly (U42)
Master Electrical Component List
Video Entertainment System Description and Operation
Control Module References
Amplifier (D07 w/o UK6)
Digital Radio Receiver (U2K)
B+ Bus Bar
OnStar Schematics
Splice Pack SP207
Entertainment/Communication Schematic Icons
G203 - 1 of 2
RADIO, RADIO/AMP, and S/ROOF Fuses
CIG LTR, EAP, INFO, and RVC Fuses
Splice Pack SP207
Entertainment/Communication Schematic Icons
Entertainment/Communication Schematic Icons
G203 - 1 of 2