GM Service Manual Online
For 1990-2009 cars only
Makes
🢒
Cadillac
🢒
2007
🢒
Escalade EXT
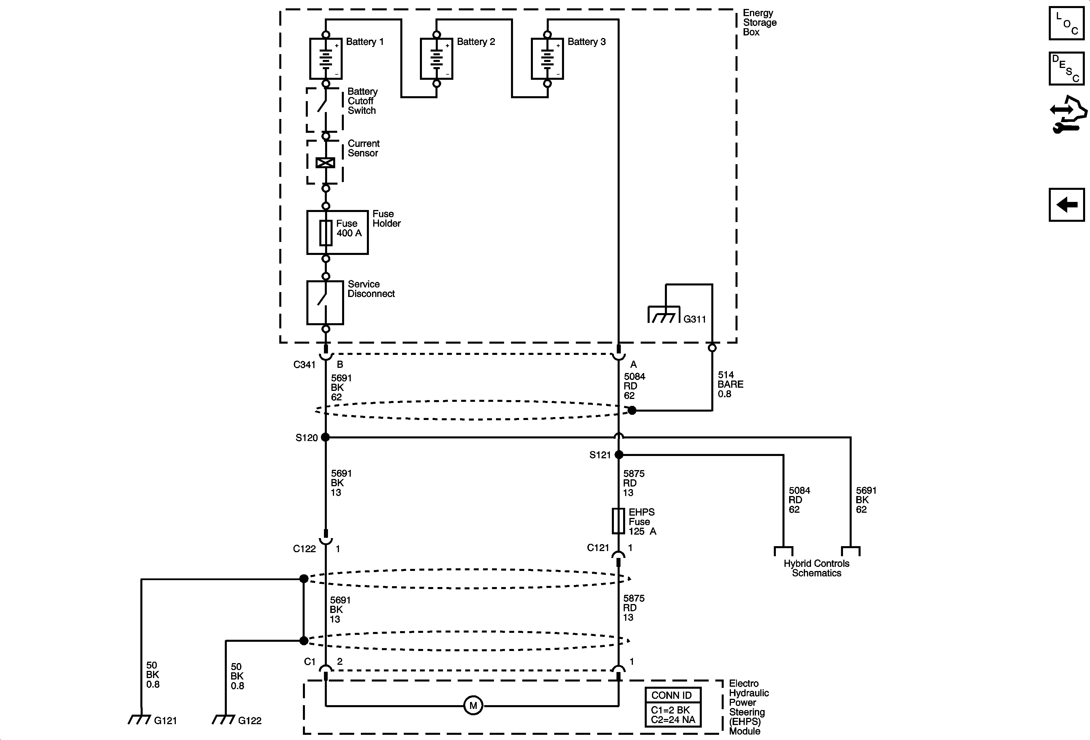
🢒 Hydraulic Motor Power and Ground
Hydraulic Motor Power and Ground
Hydraulic Motor Power and Ground
Master Electrical Component List
Power Steering System Description and Operation (w/ Electro-Hydraulic Steering)
Control Module References
Steering Wheel/Speed and Brake Pedal Position Sensor
G120, G121, G122, G310, G311, and G405 (HP2)
Starting - 2 of 2 and Energy Storage