GM Service Manual Online
For 1990-2009 cars only
Makes
🢒
Cadillac
🢒
2007
🢒
Escalade EXT
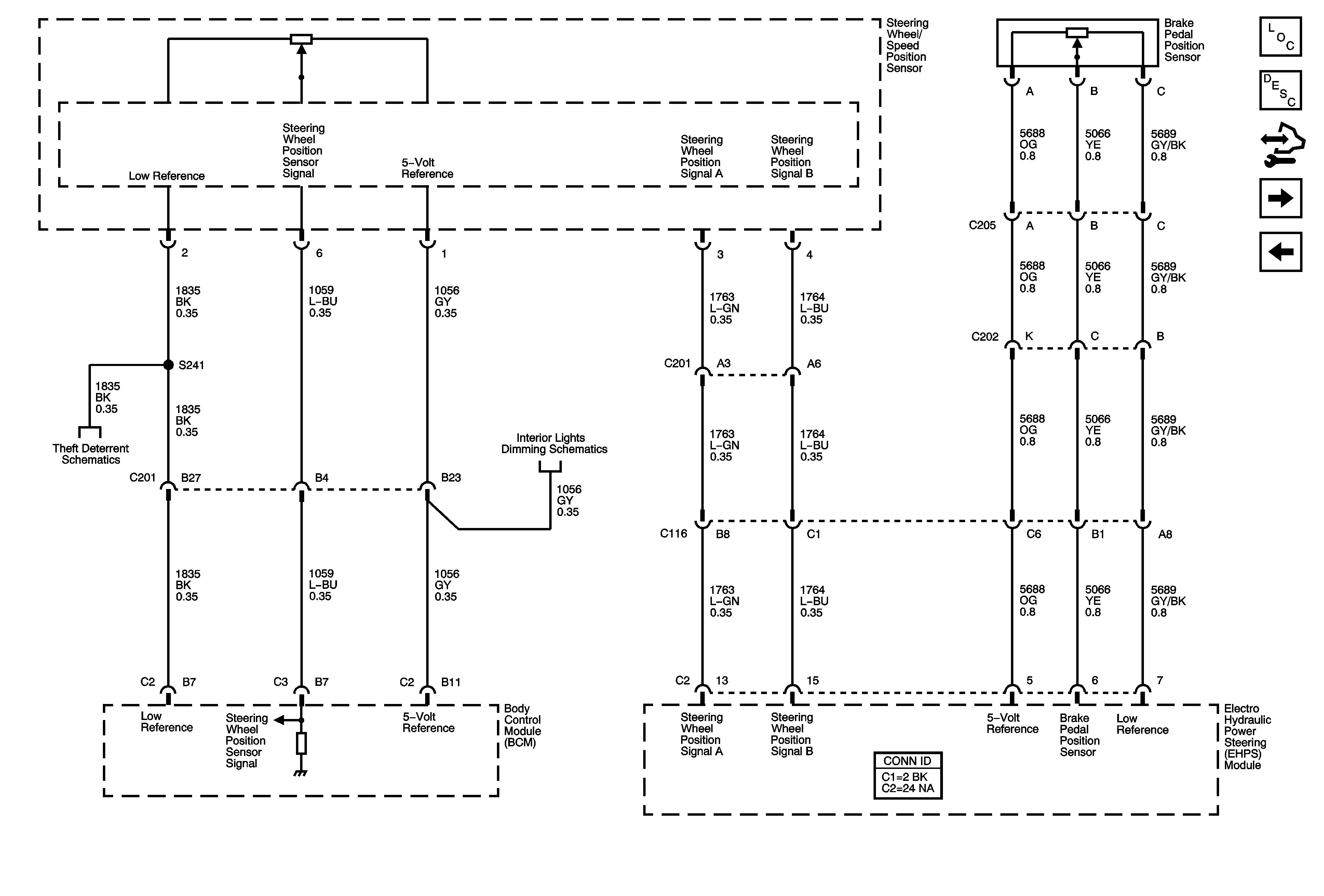
🢒 Steering Wheel/Speed and Brake Pedal Position Sensor
Steering Wheel/Speed and Brake Pedal Position Sensor
Steering Wheel/Speed and Brake Pedal Position Sensor
Master Electrical Component List
Power Steering System Description and Operation (w/ Electro-Hydraulic Steering)
Control Module References
Hydraulic Motor Power and Ground
Power, Ground, and Serial Data
Immobilizer Schematics
Dimming Control and LED Dimming Supply - 1 of 2