GM Service Manual Online
For 1990-2009 cars only
Makes
🢒
Cadillac
🢒
2007
🢒
Escalade EXT
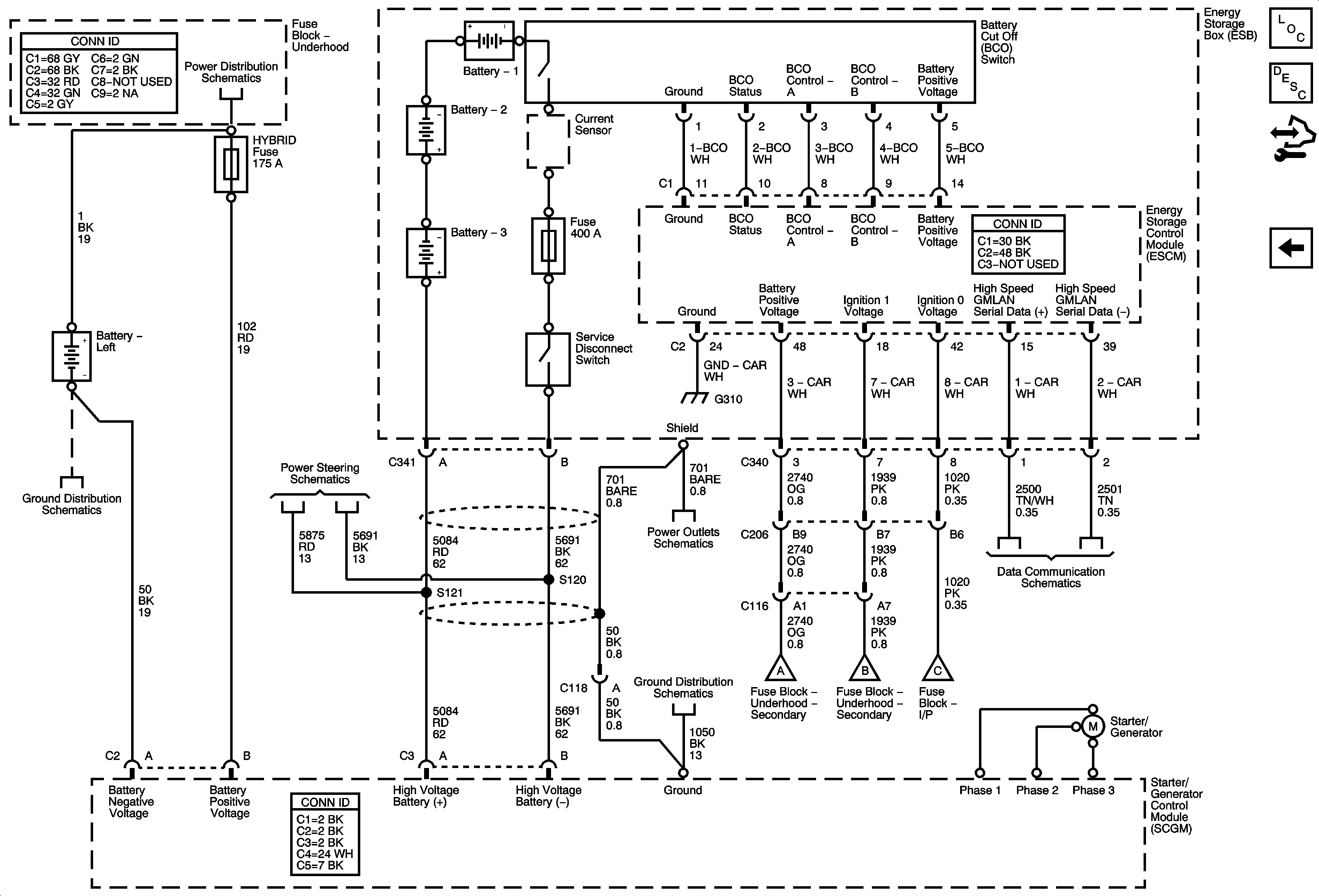
🢒 Starting - 2 of 2 and Energy Storage
Starting - 2 of 2 and Energy Storage
Starting - 2 of 2 and Energy Storage
Master Electrical Component List
Starter/Generator Description and Operation
Control Module References
Starting Controls - 1 of 2
Battery Supply - 1 of 2
G100 and G102
Hydraulic Motor Power and Ground
120-volt AC Outlets (HP2) - 2 of 2
G120, G121, G122, G310, G311, and G405 (HP2)
Hybrid Modules Power, Ground, and Serial Data
High Speed GM LAN (HP2)