GM Service Manual Online
For 1990-2009 cars only
Makes
🢒
Cadillac
🢒
2007
🢒
Escalade EXT
🢒 SPO Alarm
SPO Alarm
SPO Alarm
Master Electrical Component List
Object Detection Description and Operation
Control Module References
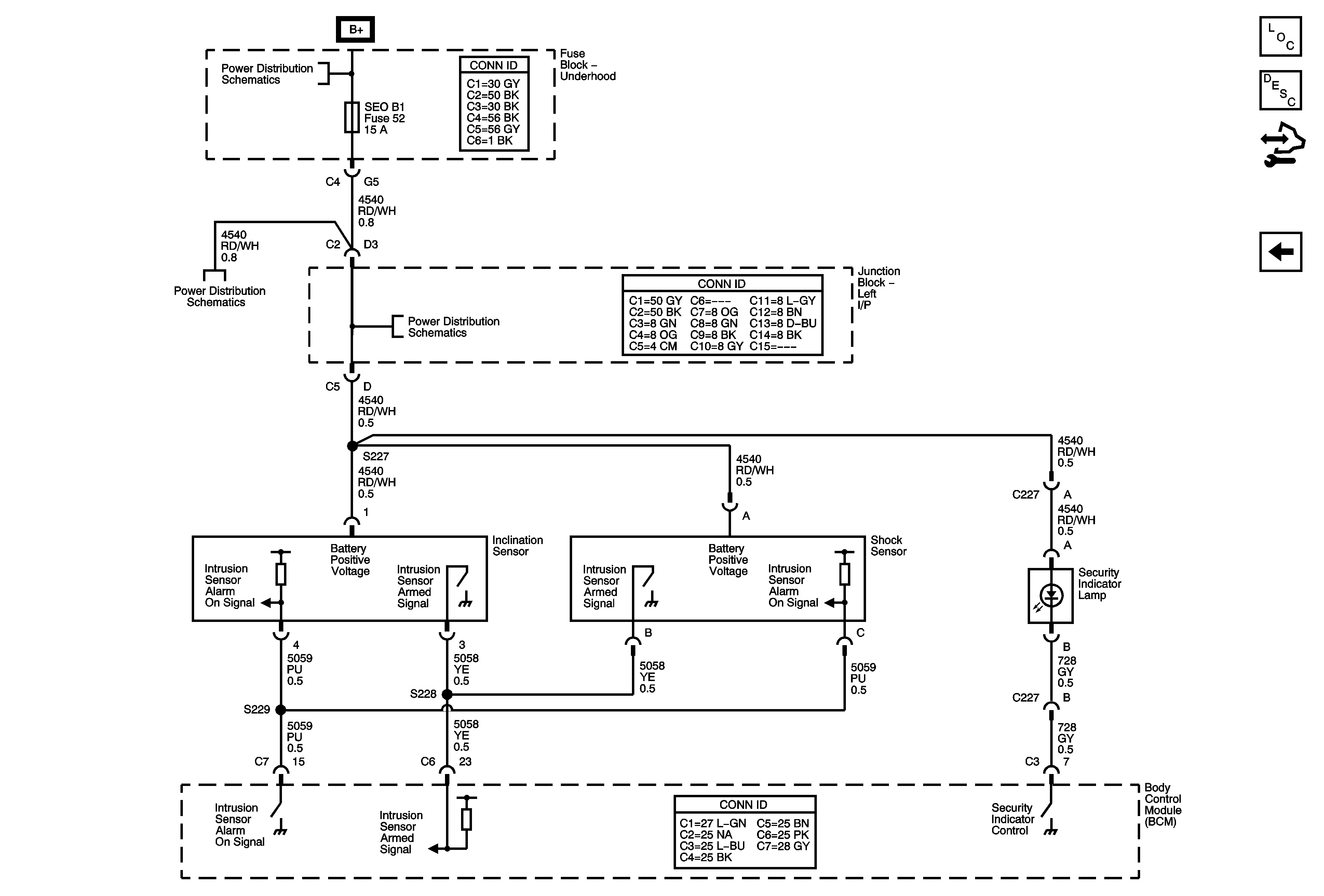
Content Theft Deterrent
B+ Bus - 1 of 3
AIRBAG, SEO B1, and SEO B2 Fuses
AIRBAG, SEO B1, and SEO B2 Fuses