GM Service Manual Online
For 1990-2009 cars only
Makes
🢒
Cadillac
🢒
2007
🢒
Escalade EXT
🢒 Content Theft Deterrent
Content Theft Deterrent
Content Theft Deterrent
Master Electrical Component List
Content Theft Deterrent (CTD) Description and Operation
Control Module References
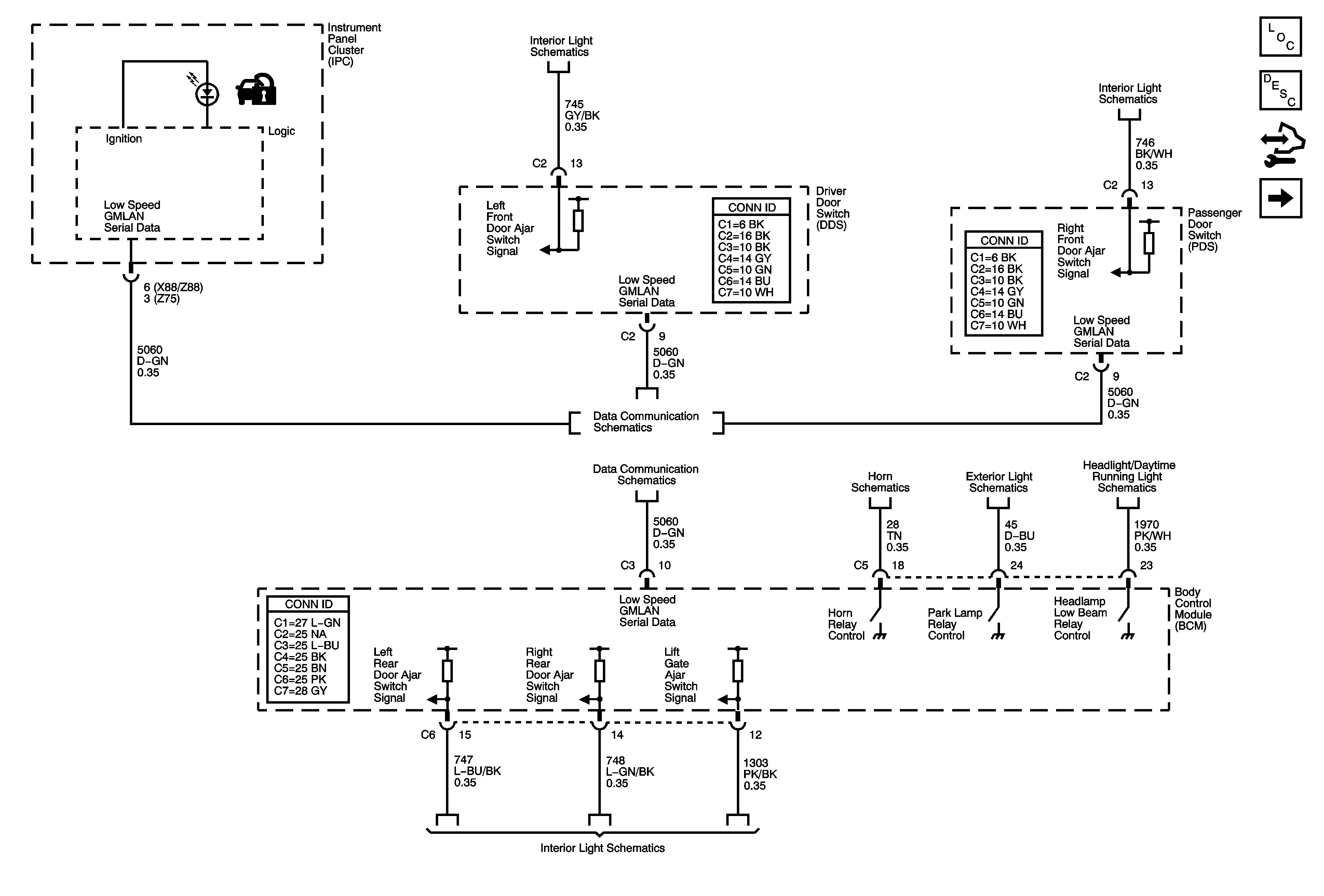
Door Jamb Switches
Door Jamb Switches
Low Speed Bus - SP200 - 1 of 3
Low Speed Bus - SP 200 - 2 of 3
Horn Schematics
Park Lamp Controls and Front Park Lamps
Low Beam and Daytime Running Lamps - X88/Z88
Door Jamb Switches