GM Service Manual Online
For 1990-2009 cars only
Makes
🢒
Cadillac
🢒
2007
🢒
Escalade EXT
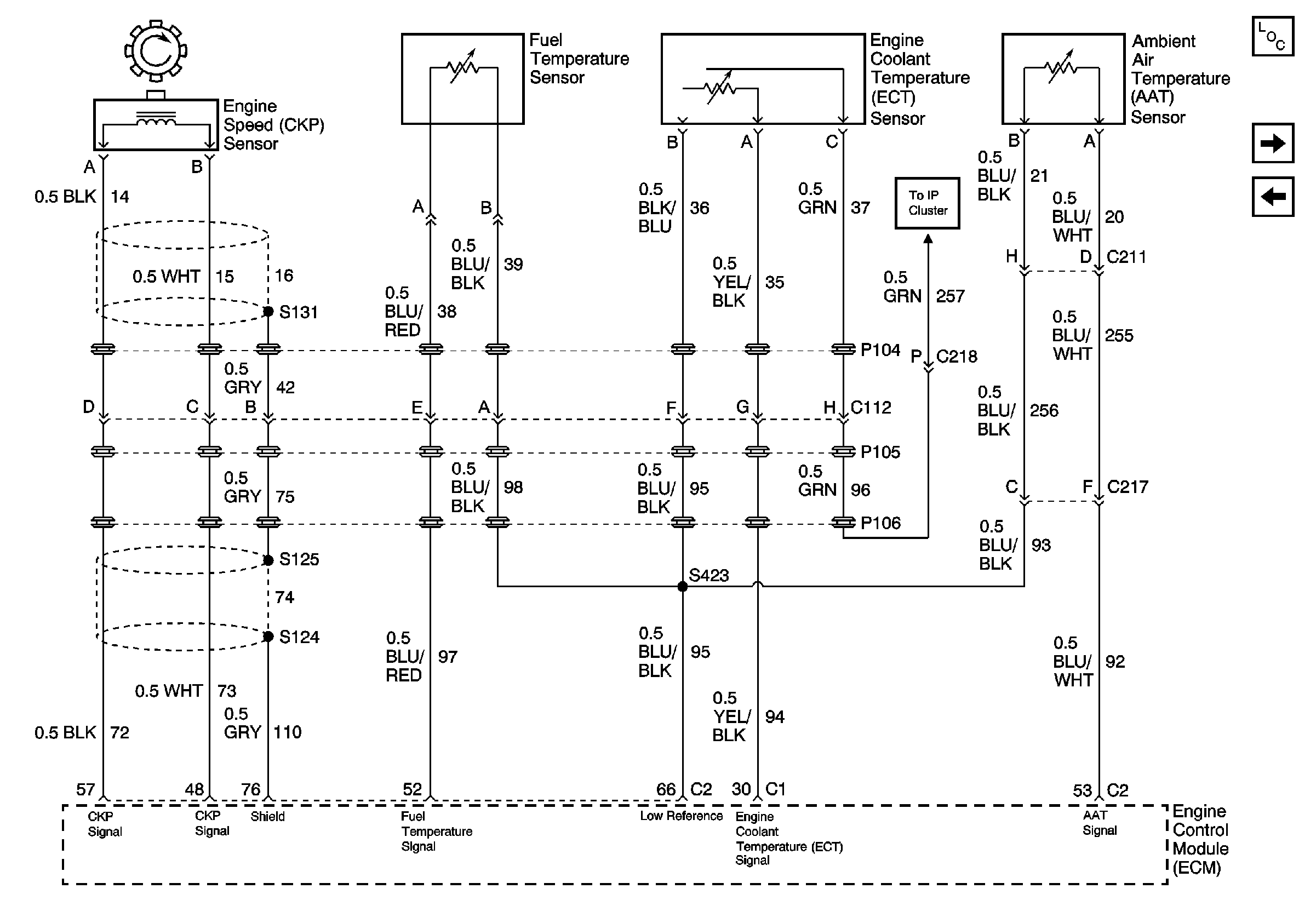
🢒 Engine Speed, Fuel Temperature, Engine Coolant Temperature, ATM Temperature Sensors
Engine Speed, Fuel Temperature, Engine Coolant Temperature, ATM Temperature Sensors
Engine Speed, Fuel Temperature, Engine Coolant Temperature, ATM Temperature Sensors
Master Electrical Component List
Automatic Transmission Modulator, Fast Idle Switch, Clutch Pedal Position Switch
Acc. Pedal Sensors, Fuel Pressure Sensor, Injector Pump Speed Sensor