GM Service Manual Online
For 1990-2009 cars only
Makes
🢒
Cadillac
🢒
2007
🢒
Escalade EXT
🢒 Differential Lock Schematics
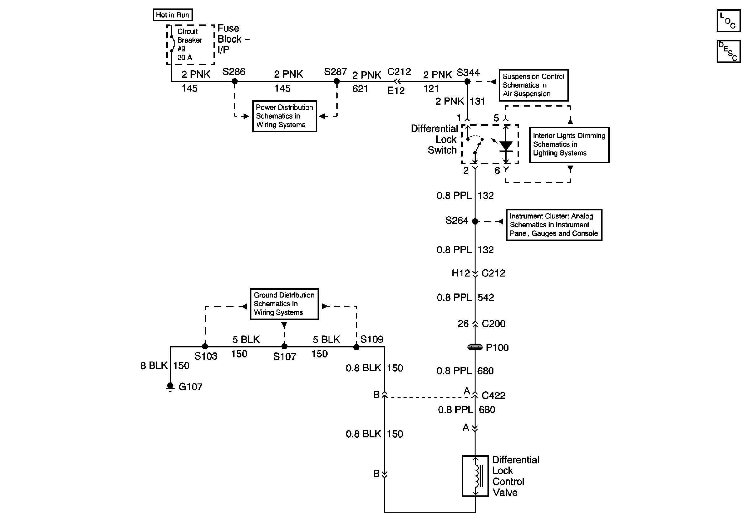
Differential Lock Schematics
Master Electrical Component List
Differential Lock Description and Operation
IP Fuse Block, Circuit Breaker 9 (1 of 3)
G107, S103
Suspension Controls Schematics
Interior Lights Dimming Schematic
Trailer ABS, Differential Lock, Fast Idle, Intake Heater, Exhaust Brake, Do Not Shift Lamps and Tachometer (LG5)