GM Service Manual Online
For 1990-2009 cars only
Makes
🢒
Cadillac
🢒
2007
🢒
Escalade EXT
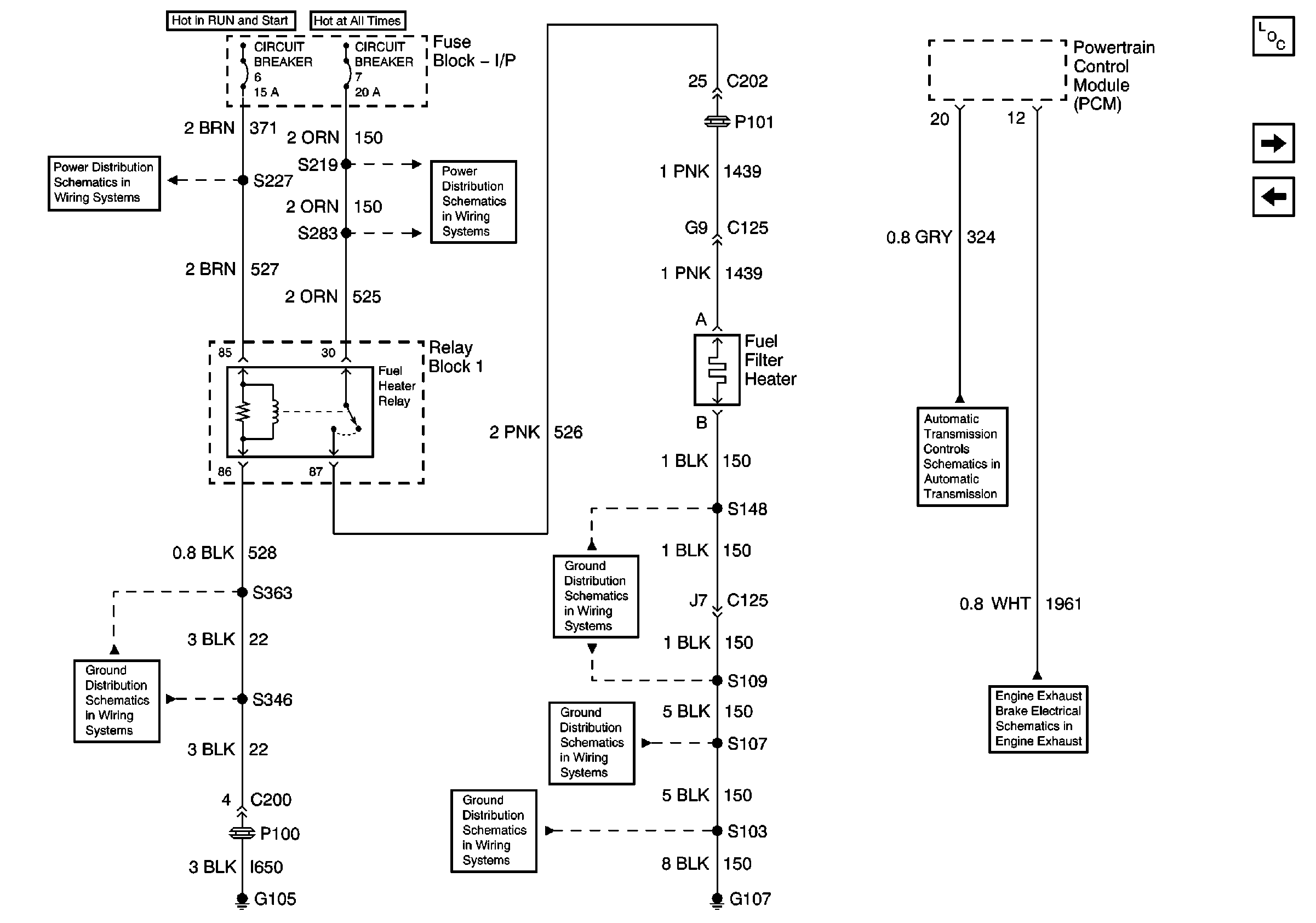
🢒 Fuel Heater, PCM inputs
Fuel Heater, PCM inputs
Fuel Heater, PCM inputs
Master Electrical Component List
Fast Idle, Clutch Switch Inputs
Throttle Position Sensor, Stoplamp Switch Inputs
IP Fuse Block, Circuit Breaker 6 (1 of 3)
IP Fuse Block, Circuit Breakers 7, 8
G105 Continued, S346, S347, S348, S363
G107, S103
G107 Continued, S107
G107 Continued, S109 (LG5 Only), S148, S423, S424
Exhaust Brake (MX4)
LG5