GM Service Manual Online
For 1990-2009 cars only
Makes
🢒
Cadillac
🢒
2007
🢒
Escalade EXT
🢒 Fuse Voltage Supply
Fuse Voltage Supply
Fuse Voltage Supply
Master Electrical Component List
Indicator/Warning Message Description and Operation
Air Susp Dump Lamp, Speedometer and Volt Meter
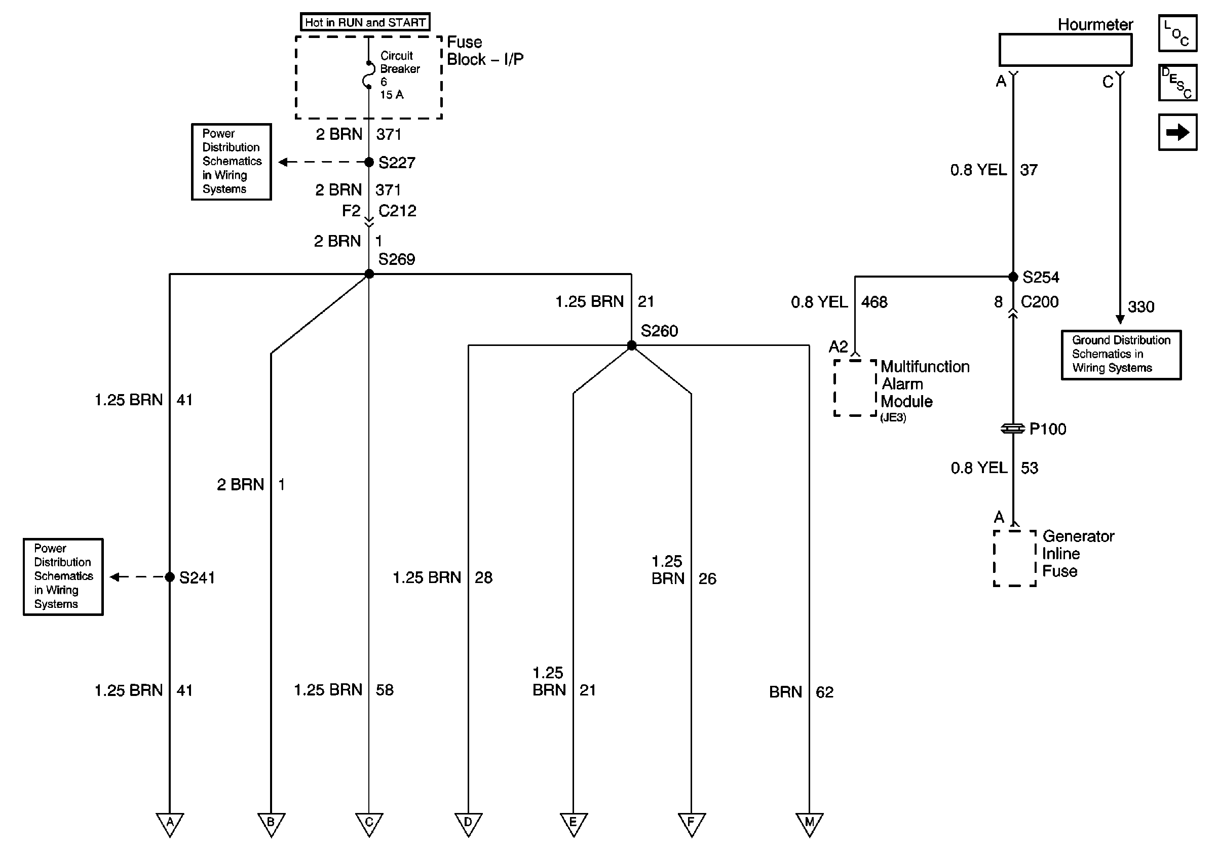
IP Fuse Block, Circuit Breaker 6 (1 of 2)
Circuit Breaker 6 (2 of 2)
Air Susp Dump Lamp, Speedometer and Volt Meter
Illumination, Seat Belt, Primary Brake, ABS and Park Brake Lamps
DRL, Service Trans Filter, Low Coolant, Oil Filter, Bat, High Beam and Service Engine Soon Lamps
Exhaust Brake, Air Susp Dump Lamps and Tachometer
Fuel, Temperature, Oil Pressure and Check Gauges
Air Susp Dump Lamp, Speedometer and Volt Meter
DRL, Service Trans Filter, Low Coolant, Oil Filter, Bat, High Beam and Service Engine Soon Lamps
G105 Continued, S330, S349, S359, S360, S600