GM Service Manual Online
For 1990-2009 cars only
Makes
🢒
Cadillac
🢒
2007
🢒
Escalade EXT
🢒 Fuel, Temperature, Oil Pressure and Check Gauges
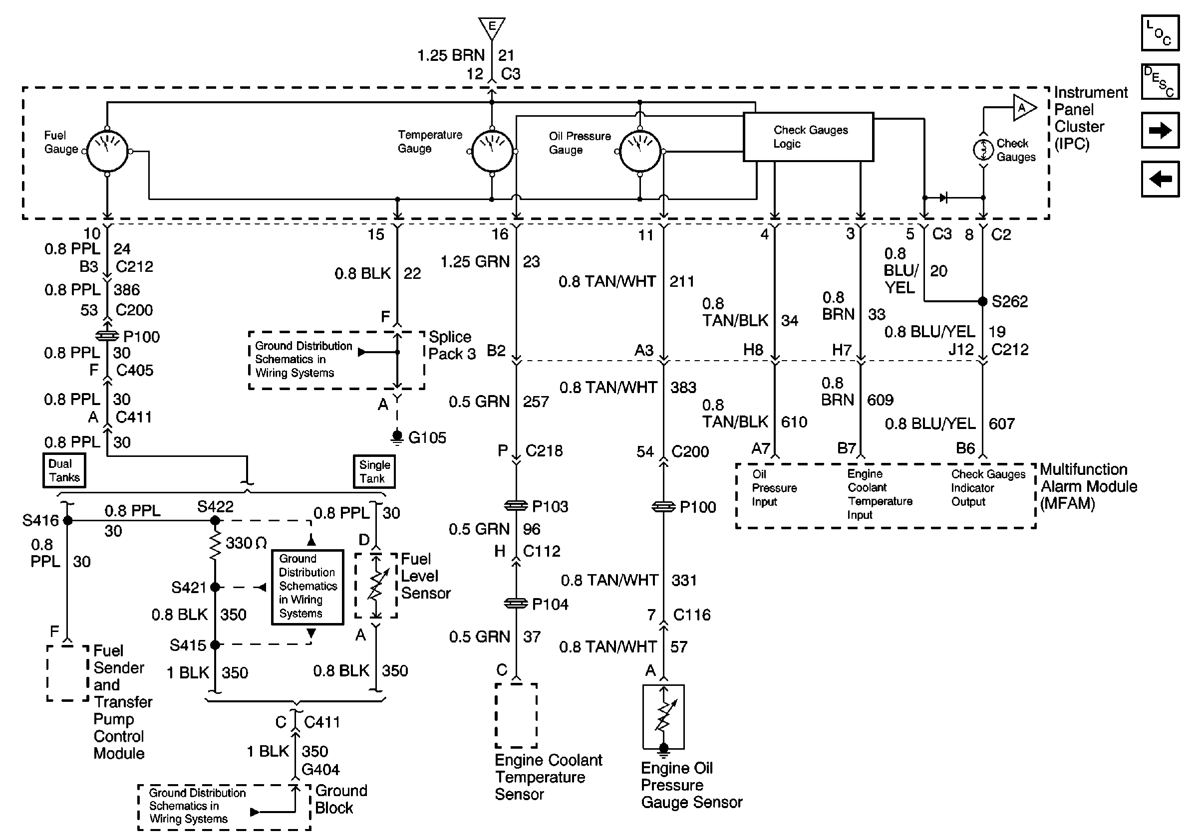
Fuel, Temperature, Oil Pressure and Check Gauges
Fuel, Temperature, Oil Pressure and Check Gauges
Master Electrical Component List
Indicator/Warning Message Description and Operation
DRL, Service Trans Filter, Low Coolant, Oil Filter, Bat, High Beam and Service Engine Soon Lamps
Air Susp Dump Lamp, Speedometer and Volt Meter
Fuse Voltage Supply
G407, Splice Pack 3, S120, S121, S122, S150, S242, S361
DRL, Service Trans Filter, Low Coolant, Oil Filter, Bat, High Beam and Service Engine Soon Lamps
G404, G405, G406, S402, S415, S416, S421, S422, S702
G404, G405, G406, S402, S415, S416, S421, S422, S702