GM Service Manual Online
For 1990-2009 cars only
Makes
🢒
Cadillac
🢒
2007
🢒
Escalade EXT
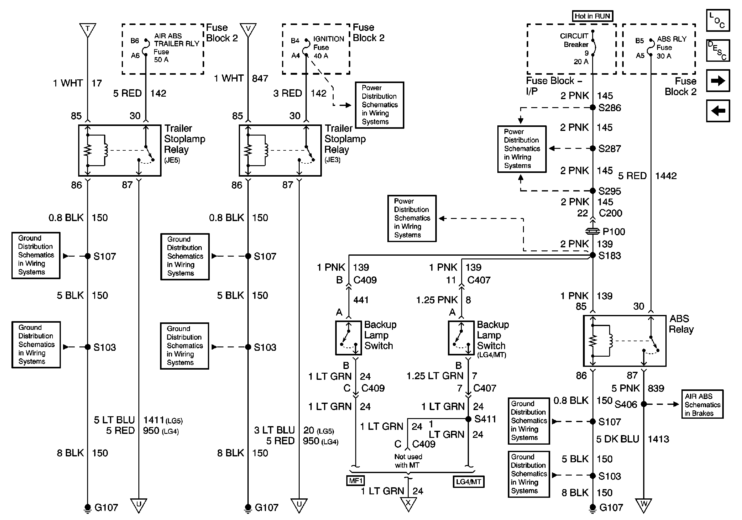
🢒 Trailer Stop Relay, ABS Relay
Trailer Stop Relay, ABS Relay
Trailer Stop Relay, ABS Relay
Master Electrical Component List
Exterior Lighting Systems Description and Operation
Clearance, Identification, and Marker Lamps
Front and Rear Lighting, IP Indicators
Hazard Flasher, Stop Lamps Switch-JE5
Hazard Flasher, Stop Lamps Switch-JE3
Trailer Wiring
Trailer Wiring
Front and Rear Lighting, IP Indicators
Trailer Wiring
G107 Continued, S107
G107, S103
G107 Continued, S107
G107, S103
Fuse Block 2, IGNITION, ABS MODULE (JE3), ABS RLY (JE5), TRAILER STOPRLYS, PARK BRK MTR Fuses
Circuit Breaker 9 (3 of 3)
IP Fuse Block, Circuit Breaker 9 (1 of 3)
G107 Continued, S107
Power and Ground
G107, S103